JH8CHUのホームページ>
直流電位差>ケルビン・バーレー・ポテンショメータ
ケルビン・バーレー・ポテンショメータ
本ページ制作。(2019/05/01 令和最初の日)
概要
ケルビン・バーレー・ポテンショメータはステップ式のポテンショメータで
設定値がダイヤルから直読出来ます。
今回製作したのものは3桁のロータリースイッチからなり、4桁目はVRで連続可変しています。
回路と定数はトランジスタ技術の1988年2月号に掲載されたものです。
仕様
- 分解能:4ダイアル
上位3桁はロータリー・スイッチにより直読出来ます。
最下位の桁はVRにより連続可変します。
- 入力抵抗:5kΩ
ケルビン・バーレー・ポテンショメータは設定値によらず、入力抵抗が一定になる
という特徴があります。
外観

回路図

原理
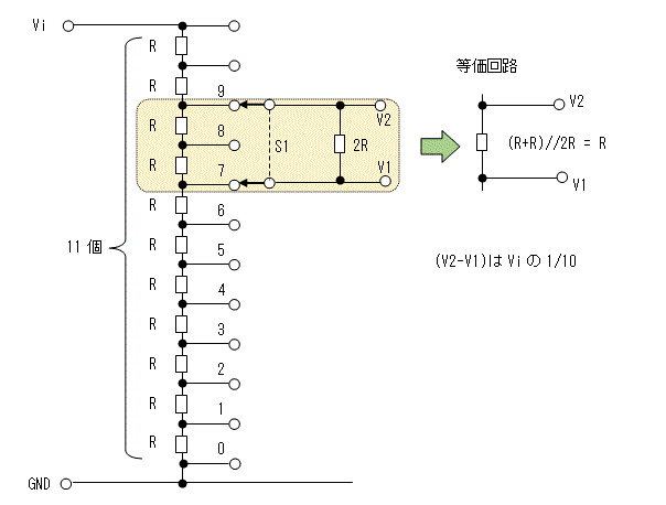
- 値の等しい抵抗Rを1桁あたり11本直列に接続します。
ロータリースイッチでセレクトした2点間に次段の全抵抗が2Rとなる
抵抗を接続すると、2点間の合成抵抗はRになります。
結局、入力電圧Viは10個の等しい抵抗Rで10分割され、
次段には入力Viの1/10が加わることになります。
- 同じ抵抗条件を繰り返していくといくらでも細かく電圧を分割出来き、
各段の電圧の和が出力に現れます。
- 上位桁の抵抗をR(×11)とすれば、下位桁の全抵抗が2Rとなることから
2R/10 = R/5が次の桁に使用する抵抗値となります。
今回、最上位の桁にR=500[Ω]を使用したので、次段の抵抗は500/5=100[Ω]
次の桁は、100/5= 20[Ω]となります。
最下位の桁は40[Ω](=20×2)のVRが必要にとなりますが、標準品にはないため
50[Ω]のVRに200[Ω]の固定抵抗を並列に接続して、合成抵抗が40[Ω]に
なるようにしています。
- 上位の桁程誤差の小さい抵抗値が必要です。
- 原理図より入力抵抗は一定となります。(出力側の負荷抵抗=無限大の場合)
今回の場合500[Ω]×10 = 5[kΩ]となります。
設計
とくに自分で設計したところはありません。(^^;
回路図は、トランジスタ技術 1988年2月号に掲載されたものそのものです。
金属皮膜抵抗は近年0.1%の入手は容易なので、最上位桁には誤差0.1%を
使用しました。使用部品の項を参照してください。
使用部品
- ロータリー・スイッチ
回路図を見ると特殊な部品に見えますが、2回路12接点のロータリースイッチ
であり入手は容易です。
このスイッチは、回転させるときにあまり力が必要なものは不適です。
測定器なので、構造が頑丈なものを使用したくなりますが、
測定の際、頻繁にスイッチの設定を変えるので、回転の力が必要な
タイプを使用するとものすごく使いづらくなります。
(実は、一度交換しました。)
- 金属皮膜抵抗
上位の桁程誤差の小さい抵抗値が必要です。
近年、誤差0.1%の抵抗器は入手が容易なので、少々価格が高いですが
最上位の桁は誤差0.1%を使用しました。ただ、今回500[Ω]は
手に入らなかったため、250[Ω]2本を直列にして使用しました。
次の桁(0.01)は誤差1%で十分です。下位の桁に高精度(0.1%)を使用するのは
無駄です。0.001の桁は10%で十分ですが、通常最も安い5%で可です。
カーボン抵抗でもよいと思いますが、ここでは安定度を重視し1%を使用しましが
意味があるかどうかは不明です。
最下位の桁はカーボン抵抗で十分です。もちろんVRもカーボン抵抗でOKです。
- VR
前項でも書きましたが、カーボン抵抗のタイプで十分です。
カーブは回転角と抵抗値が比例するBカーブを使用します。
一応(?)通信工業規格品を使用しました。
- ケース
愛用のタカチを使用しましたが、いつものCU-13Nではなく
3個のロータリースイッチとVRを水平に配置するために
CU-3N(W200×H60×D170)を使用しました。
製作
- ケース
特殊な形状や大口径の穴あけはないので、3mmのドリルで穴あけしてから
リーマーで広げて必要な口径の穴を空けました。
- ロータリースイッチの配線
2回路12接点のロータリースイッチの配線ですが、
回路図を見ると複雑な配線に感じられます。
使用するロータリースイッチの現物を見ながらよく考えましょう。(^^;

動作確認
- とくに調整箇所はありません。
使用方法
- 分解能4桁のポテンショメータとして
特に説明も必要ないと思います。(^^;
分解能のあるポテンショメータとしては多回転型のVRがありますが、
多回転型VRと異なり、桁毎の設定がステップ式で出来るため、
広範囲な設定の変更が簡単に出来ます。
- 直流電位差計として
標準電圧源があれば、直流電位差計として使用出来ます。
実際の使い方は、直流電位差計の実験(後報)を参照してください。
関連項目
- とくになし。
参考文献
- トランジスタ技術 1988年2月号,P425-426,簡単に作れる4ダイヤル ポテンショメータ, 酒井敏行
JH8CHUのホームページ>
直流電位差>ケルビン・バーレー・ポテンショメータ
Copyright (C)2019 Masahiro.Matsuda(JH8CHU), all rights reserved.