JH8CHUのホームページ> 安定化電源の製作 >リニア型電圧可変安定化電源の製作

リニア型電圧可変安定化電源の製作


工事中(2014/10/14)
  1. 仕様

    1. 可変電圧範囲: 3V〜15V
    2. 出力電流:0.1A
    3. リニア電源方式
    4. 出力短絡保護回路付き

      可変範囲としては、1.5Vの乾電池を直列にして実現出来る電圧を想定すると
      3V、4.5V、6V、9V、12V、15Vなどが出力出来れば十分であろうと考え
      3V〜15Vまでの範囲で可変することにします。
      また、出力電流については、最近のsingle chip マイコンなども消費電流が
      小さく、100mAもあれば多くの実験には間に合うと考えました。
      リニア電源なので、出力電流を必要最低限にすることで放熱器を小さいもので
      済ますことが出来ます。
      実験用電源として実用性を確保すると同時に、リニア電源の基本原理を
      マスターすることを目的として製作するので、三端子レギュレータを
      使用することはせず、ディスクリート部品で構成することにします。

  2. 外観

    ただ今、設計中・・・・・・。


  3. ブロック図



  4. ブロック毎の検討

    1. 変圧器・整流回路・平滑回路
      変圧器・整流回路・平滑回路は最も基本的なリニア電源の構成そのものです。
      まず、変圧器により入力側のAC 100Vは二次側の電圧xxxVに降圧されます。
      この実効値xxxVの交流電圧はダイオードによる ブリッジ整流回路により
      全波整流されます。
      その後、コンデンサ入力の平滑回路によりほぼ直流に変換されます。
      このような簡単な整流電源の場合、負荷変動や変圧器の一次側の電圧変動に
      より出力の直流電圧の値が変動します。
      また、平滑回路では取りきれなかった交流成分がリップルとして出力に
      現れます。

    2. 安定化電源部
      負荷変動や変圧器の一次側の電圧変動が発生しても出力電圧が変動しないように
      安定化される回路です。リニア電源では、負荷と直列に接続されたトランジスタ
      などで電圧降下を発生させ、負荷の両端の電圧が変動した場合、トランジスタ
      の電圧降下を自動で可変することにより負荷両端の電圧を一定に保つように
      制御します。トランジスタでの電圧降下は熱となるため電源効率はよく
      ありません。 安定化電源部 は最も基本的ですが、実用的なリニア電源の構成そのものです。
      安定化電源回路の動作の理解と実力を把握するために専用のICやオペアンプは
      使用せず、ディスクリート部品のみで製作します。

    3. 過電流制限回路
      本器は実験用電源であり、出力は短絡の危険があるため、過電流を制限する
      ための保護回路は必須です。
      今回は、保護回路も最も簡単な***型の過電流制限回路としました。

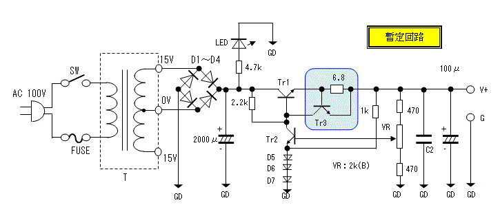
  5. 回路図


  6. 設計

    1. 変圧器
      シリーズ電源では、まずAC100Vを変圧器(トランス)を用いて必要な電圧に
      変換します。変圧器は鉄心に1次側の2次側に銅線巻いた構造で
      1次側の巻き数をN1、2次側の巻き数をN2、1次側の電圧をV1、2次側の電圧をV2
      とすれば、V2は
      V2 = (N2/N1)*V1
      で表されます。
      また、いくつかの電圧に対応出来るように、1次側、または2側の巻線の途中から
      タップと呼ばれる端子を設けたものもあります。
      変圧器は様々な電圧のものが販売されているので必要な仕様のものを購入します。

    2. 整流
      ダイオードの最も基本的な動作は、電流を一方向にしか流さない、とゆう
      特性を使って交流を直流に変換することです。
      ダイオードで整流動作をさせる場合、最も重要なパラメータは順方向電流と
      逆方向耐電圧です。

    3. 平滑回路
      交流を単にダイオードで整流しただけでは脈流と呼ばれるリップル分の多い
      直流で、そのままでは電子回路の動作に不適当なため平滑回路により
      リップル成分を取り除きます。
      平滑回路として、ここでは電解コンデンサを使用します。

    4. 電圧可変安定化電源回路
      可変範囲の下限が3.0[V]なので、基準電圧は3.0V以下にする必要があります。
      ここでは、安定度は犠牲にしてダイオード×2本とトランジスタのベース-エミッタ間
      の電圧VBEにより約1.8[V](=0.6×3)を基準としました。

    5. 過電流制限回路


  7. 使用部品

    1. 変圧器
    2. ダイオード
    3. 電解コンデンサー
    4. パワートランジスタ
    5. ツェナーダイオード
    6. 可変抵抗器
    7. ヒューズ

  8. 製作

  9. 動作確認

    1. 配線を確認します。
    2. ヒューズ・ボックスにヒューズを実装します。
    3. 電源スイッチをOFF側に設定します。
    4. 電圧設定ボリュームを最小にします。
    5. テスターを電圧測定の10Vレンジに設定し、直流出力端子に接続します。
    6. ACプラグをコンセントに差し込みます。
    7. 電源スイッチをONにします。
    8. LEDが点灯することを確認します。
    9. テスターの電圧を確認します。
  10. 関連項目

  11. 今後の課題

    1. 変圧器の原理
    2. ヒューズの選定方法
  12. 参考文献





JH8CHUのホームページ> 安定化電源の製作> リニア型電圧可変安定化電源の製作


Copyright (C)2014 Masahiro.Matsuda(JH8CHU), all rights reserved.