JH8CHUのホームページ>
周波数カウンタ
>R8マイコンによる周波数カウンタ
R8マイコンによる周波数カウンタ(工事中)
工事中(2012/11/10)
はじめに
仕様
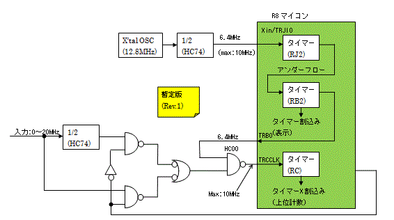
- 測定周波数: max 20MHz
- 表示桁: 6桁(有効桁数はレンジに依存よる)
- 精度:【後報】
- 入力電圧:適当(^^ゞ
外観
ブロック図

回路図
ブロック毎の検討
設計
使用部品
製作
- 穴あけ
- 正面パネル裏面
動作確認
動作確認は工事中です。
関連項目
-
-
-
-
- シュミット・トリガ
JH8CHUのホームページ>
周波数カウンタ>
R8マイコンによる周波数カウンタ
Copyright (C)2012 Masahiro.Matsuda(JH8CHU), all rights reserved.