JH8CHUのホームページ>ディジタル回路実験ツール

ディジタル回路実験ツール


本ページ作成。給電・チェック端子モジュールを掲載。(2014/11/26)
LEDモジュール(4bit)を掲載。(2014/12/14)
ディップ・スイッチ・モジュール(4bit)を掲載。(2014/12/20)
プッシュ・スイッチ・モジュール(4bit)を掲載。(2014/12/30)

  1. 給電・チェック端子モジュール

    1. 概要
        ディジタル回路の実験のためのモジュールです。
        電源(5V)の供給コネクタ(P3)と信号線のモニターをするためのチェック端子を備えています。
        このモジュール自体は電流を消費しません。

    2. 仕様
      1. 電源電圧: 5V±5%
      2. 許容電源電流: 200mA (本モジュール自体は電流を消費しない)
      3. コネクタ(P1)(P2):
        シングルロウ ストレートピンヘッダ 8P (ヒロセ: DF1BZ−8P−2.5DSA)
      4. コネクタ(P3):
        シングルロウ ストレートピンヘッダ 2P (ヒロセ: DF1BZ−8P−2.5DSA)

    3. 外観


    4. 回路図


    5. 詳細

        給電・チェック端子モジュールの詳細は こちら。(2014/11/26)


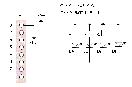
  2. LEDモジュール(4bit)

    1. 概要
        ディジタル回路の実験のためのモジュールです。
        LEDにより信号ラインのレベルがHかLかの表示を行います。
        バッファは実装していませんが、LEDの電流制限抵抗は実装しています。

    2. 仕様
      1. 電源電圧:5V±5%
      2. 消費電流:14mA(typ)
      3. ビット幅:4bit
      4. コネクタ:
        シングルロウ ストレートピンヘッダ 8P (ヒロセ: DF1BZ−8P−2.5DSA)
      5. 入力電流(High入力時):0mA
      6. 入力電流(Low入力時):-3.5mA(typ)

    3. 外観



    4. 回路図


    5. 詳細

        LEDモジュール(4bit)の詳細は こちら。(2014/12/14)


  3. ディップ・スイッチ・モジュール(4bit)

    1. 概要
        ディジタル回路の実験のためのモジュールです。
        ディップ・スイッチにより"H"または"L"レベルの設定を行います。
        信号はPull upされていないので、外付けする必要があります。

    2. 仕様
      1. 電源電圧:電源は必要ありません。電源ピン(7pin)は未接続です。
      2. ビット幅:4bit
      3. コネクタ:
        シングルロウ ストレートピンヘッダ 8P (ヒロセ: DF1BZ−8P−2.5DSA)
      4. 出力電流(スイッチOFF時):0mA (出力はHi-Z状態です)
      5. 出力電流(スイッチON時):16mA(max)

    3. 外観



    4. 回路図


    5. 詳細

        ディップ・スイッチ・モジュール(4bit)の詳細は こちら。(2014/12/20)


  4. プッシュ・スイッチ・モジュール(4bit)

    1. 概要
        ディジタル回路の実験のためのモジュールです。
        プッシュ・スイッチにより"H"または"L"レベルの設定を行います。
        信号はPull upされていないので、外付けする必要があります。

    2. 仕様
      1. 電源電圧:電源は必要ありません。電源ピン(7pin)は未接続です。
      2. ビット幅:4bit
      3. コネクタ:
        シングルロウ ストレートピンヘッダ 8P (ヒロセ: DF1BZ−8P−2.5DSA)
      4. 出力電流(スイッチOFF時):0mA (出力はHi-Z状態です)
      5. 出力電流(スイッチON時):16mA(max)

    3. 外観



    4. 回路図


    5. 詳細

        プッシュ・スイッチ・モジュール(4bit)の詳細は こちら。(2014/12/30)


  5. インバータ・モジュール(4bit)

    1. 概要
    2. 仕様
    3. 外観
    4. 回路図
    5. 詳細

  6. LCDモジュール

    1. 概要
    2. 仕様
    3. 外観



    4. 回路図
    5. 詳細

  7. MIDI インタフェース・モジュール

    1. 概要
    2. 仕様
    3. 外観
    4. 回路図
    5. 詳細

  8. D/A変換モジュール

    1. 概要
    2. 仕様
    3. 外観
    4. 回路図


    5. 詳細


JH8CHUのホームページ>ディジタル回路実験ツール


Copyright (C)2014 Masahiro.Matsuda(JH8CHU), all rights reserved.