JH8CHUのホームページ>
発振器>低周波発振器
低周波発振器
本ページのタイトルを正弦波発信器から低周波発振器に変更。(2024/11/07)
本ページ完成。(2025/05/21)
概要
CR移相発振による正弦波の低周波発振器です。
周波数は4段階で切り替えられます。ただし、周波数はだいたいです。
正弦波の歪みは多いほうです。
回路動作の基本を理解するために本器の回路は全て、
トランジスタで構成することにしました。
仕様
- 発振波形: 正弦波
- 発振周波数: 100Hz, 300Hz, 1KHz, 3kHz (いずれもだいたい)
- 出力インピーダンス: 600Ω(これもだいたい)
- 出力レベル(rms): 800mV以上(結果的に)
- 電源: AC 100V
外観
- 正面

- 背面

ブロック図
本器は、電子回路の基本的な実験に使用することを想定しているので
正弦波発振器としては、必要最小限の機能のみに限定して
複雑な回路にならないようにします。
しかし、そうは言っても、周波数は4段階で可変出来るようにしました。

- CR移相発振
回路構成を出来るだけ簡単にするために、周波数の連続可変は出来ませんが、
4段階(100Hz、300Hz、1kHz、3kHz)をロータリースイッチで切り換えます。
CR移相発振回路が生成する波形は正弦波ですが、歪は多い方です。
移相発振回路の発振原理は
こちらを参照してください。
なお、本機とトランス・ボックスを
併用することにより50Hzを含めて
5段階の周波数を使用できるという作戦です。(^^v
- エミッタ・フォロワー(1)
発振回路の出力を直接出力レベルのVRに接続すると、VRを可変したとき、
負荷の変動によりCR発振の周波数が変動しないか心配だったため、
VRの手前にエミッタ・フォロワー(1)を入れました。
もともと移相発振回路の正帰還は、このエミッタ・フォロワーからかける計画でしたが、
移相発振回路の実験
の結果、2石構成では安定に発振させるのは難しいことが
判明したため、発振回路はトランジスタ1石の構成とした次第です。
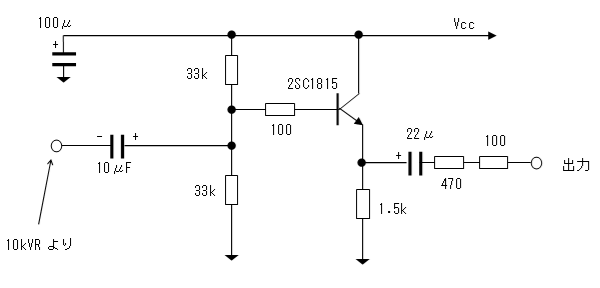
- エミッタ・フォロワー(2)
出力端子のインピーダンスを600Ωでドライブするために
出力はエミッタ・フォロワーで駆動します。
エミッタ・フォロワー(1)の出力は発振出力のレベルを調整するための
可変抵抗を経由し、エミッタ・フォロワー(2)に入力されます。
- 電源回路
整流・平滑した後、簡単な安定化回路でVcc=10[V]を得ています。
機器の構成上、電源端子がGNDに短絡することはないはずですが、
調整中の短絡など、万が一を想定して短絡保護回路を挿入しています。
回路の動作は、
電流増幅回路付きシャント・レギュレータの実験
で用いた回路と同様ですので、詳細はそちらを参照してください。
回路図
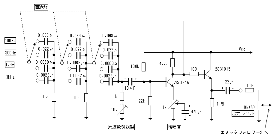
- 移相発振部〜エミッタ・フォロワー(1)

- エミッタ・フォロワー(2)

- 電源部

設計
- CR移相発振回路
移相発振回路と直結接続された次段のエミッター・フォロワー(1)の
直流レベル設計は
バイポーラトランジスタ2段直結アンプ(エミッタ接地〜コレクタ接地)の実験
に用いた回路とほとんど同じです。
周波数をスイッチで切り変えるために3回路4接点のロータリー・スイッチで
コンデンサーを切り換えています。
移相発振回路の発振周波数(f)は次の式で与えられます。
f = 1 / (2π*√6*CR)
Cの値を小さくするためにRを大きめな10[kΩ]としました。
Cの値は上記の式を変形して、次の式で計算します。
C = 1 / (2π*√6*fR)
- f=100[Hz]のとき
C = 1 / (2π*√6*100*10,000) ≒ 0.065[μF]
E6系列から選定して
0.068[μF]としました。
- f=300[Hz]のとき
C = 1 / (2π*√6*300*10,000) ≒ 0.0217[μF]
E6系列から選定して
0.022[μF]としました。
- f=1[kHz]のとき
C = 1 / (2π*√6*1000*10,000) ≒ 0.0065[μF]
E6系列から選定して
0.0068[μF]としました。
- f=3[kHz]のとき
C = 1 / (2π*√6*3000*10,000) ≒ 0.00217[μF]
E6系列から選定して
0.0022[μF]としました。
移相回路のコンデンサーはいずれもマイラーを使用しました。
なお、10[kΩ]の抵抗器ですが、3段目のみ1[kΩ]の固定抵抗器と
10[kΩ]の半固定抵抗器の直列として、周波数を多少調整出来るようにしました。
ただし、周波数レンジごとには調整せず、可変すると全てのレンジが
一斉に変化します。(^^;
これは、もともと本回路の発振周波数はそれほど安定ではないので、
粗調整出来ればよいとの考えからこのようにしました。
もっとも、どうせ安定ではないのだから、原理図通り10[kΩ]の固定抵抗で
よいのでは、というのも現実的な案だと思います。(^^;
- エミッター・フォロワー(1)
発振回路の出力は直結回路でエミッター・フォロワーに接続します。
直流レベルの設計は、発振回路で述べたように
バイポーラトランジスタ2段直結アンプ(エミッタ接地〜コレクタ接地)の実験
を参照してください。
なお、エミッタ・フォロワーのベースには保険として異状発振対策の100[Ω]を
挿入しています。
エミッター・フォロワー(1)の出力は、出力レベル調整用の10[kΩ]AカーブのVRに
接続しますが、このVRと直列に10[kΩ]固定抵抗器を入れています。
これは、出力に600[Ω]の負荷を接続した状態で、VRを最大にすると、出力波形が
クリップしてしまったため、最大出力電圧を制限するため最後に追加したものです。
エミッター・フォロワーの負荷が重くなった場合の動作については
トランジスタのデバイス実験にある
エミッター・フォロワーの実験などを
参照してください。
- エミッター・フォロワー(2)
コレクタ電流(≒エミッタ電流)を3[mA]、エミッタの電圧を(1/2)*Vccである
5[V]とすれば、エミッタ抵抗の値は
5[V] / 3[mA] ≒ 1.7[kΩ]
となるので、E6系列から選定して1.5[kΩ]
としました。
2SC1815-YのhFEはデータシートより120〜240ですので、中央値をとって
180とすれば、ベース電流は
3[mA] / 180 ≒ 17[μA]
です。ブリーダー抵抗に流す電流をこの値の10倍とするためには
10[V] / (17[μA] * 10) ≒ 58.8[kΩ]
また、ベースの電位はエミッタより0.7[V]高いとすると5.7[V]です。
ブリーダー抵抗はVccを分圧して5.7[V]にするとすれば、GND側が
58.8[kΩ] * (5.7[V] / 10[V]) ≒ 33[kΩ]
Vcc側は
58.8[kΩ] - 33[kΩ] = 25.8[kΩ]
ですので、E6系列だと、22[kΩ]か33[kΩ]
になります。
結局、トランジスタのエミッタ電流を3[mA]より大きめにするか小さめにするか
という話になりますが、小さめに設定することとし、33[kΩ]を選択しました。
以上の抵抗選定の結果、各部の電圧・電流を計算し直すと下図となります。

なお、エミッタ・フォロワーのベースには保険として異状発振対策の100[Ω]を
挿入しています。
- LED点灯回路
赤色のLEDを使用します。
LEDの電流は5〜10[mA]になるよう直列抵抗を決めます。
仮に電流を5[mA]、LEDの両端の電圧を2[V]とすれば、必要な抵抗値(R3)は
R3 = (Vcc - 2)/電流 = (10 - 2)/0.005 = 1600[Ω]
E6系列から選定して1.5[kΩ]とすれば、
LEDに流れる電流は、
(10[V] - 2)/1500 ≒ 5.3[mA]です。
- 電源回路
- 消費電流の見積り
最初に必要となる消費電流を見積もります。
初段増幅(発振):1[mA]
エミッタフォロワー(1):3[mA]
エミッタフォロワー(2):3[mA]
LED:5[mA]
から、合計12[mA]となります。
- 電源トランス(Power Transformer)の選定
Vcc短絡に備え電流制限抵抗のR1を出来るだけ大きくするために、
高めの電圧設定とし、それに合わせたトランスを選定しましたが、
一方、ケースが大きくないので、なるべく小型のものを物色しました。
具体的には豊澄のHP-126(12-0-12)を24[V]で使用しました。
このとき、得られる直流電圧は24[V]×√2 ≒ 34[V]です。
トランスの定格電流は0.04[A]ですので、消費電流に対し十分な余裕があります。
- ツェナーダイオード(ZD1, ZD2)、D2の選定
Vccの値は、VZD1 + VZD2 + VD2 - VBE
となりますので、
ツェナーダイオードは5.1Vタイプのものを使用すると、概ね
Vcc = 5.1 + 5.1 + 0.7 - 0.7 = 10.2[V]
となります。
ツェナー・ダイオードによる定電圧電源の
実験(シャント・レギュレータの実験)から
ツェナー・ダイオードには最低10[mA]程度電流を流しておく必要があります。
ツェナーダイオードの電流を10mAとすれば、消費電力Pは
P = 5.1[V]×10[mA] ≒ 51[mW]
今回は
ツェナーダイオードの静特性測定の実験
で使用した1N5231B(定格電力:500[mW])を
使用しました。
- R2の選定
ツェナー・ダイオードに10[mA]の電流を流すとすると、トランジスタの
ベースに流れる電流は無視出来る小ささです。平滑回路の直流電圧を34[V]、
トランジスタのベース電圧を10.9[V]とすれば、R2の値は
R2 = (34[V]−10.9[V]) / 0.01[A] ≒ 2310 [Ω]
となることからE6系列の
2.2[kΩ]とします。
改めて抵抗器を流れる電流を計算すると、
(34[V]−10.9[V]) / 2.2[kΩ] ≒ 10.5 [mA]
となることからツェナーダイオードの電流も10.5 [mA]となります。
R2の消費電力は
(34[V]−10.9[V]) * 10.5 [mA] ≒ 0.35[W]
となります。
しかし、機器の構成上、通常、負荷の端子がGNDに短絡される可能性はない
のですが、調整中に誤ってGNDに短絡させる場合も想定します。
そうすると、トランジスタのベースの電位は約0.7[V]となるので、
(34[V]−0.7[V])2 / 2200[Ω] ≒ 0.50 [W]
となることから、1[W]タイプを使用することとします。
- R1の選定
消費電流は12[mA]で、この状態でトランジスタのコレクタ〜エミッタ間の
電圧を3[V]確保出来るようにします。そうするとR1両端の電圧は
34[V] - 10[V] - 3[V] = 21[V]
となります。従って
R1 = 21[V] / 12[mA] ≒ 1750[Ω]
となります。 E6系列から
選定して1.5[kΩ]とします。
このときのR1両端の電圧は
12[mA] * 1500[Ω] = 18.0[V]
ですので、トランジスタのコレクタ〜エミッタ間電圧は約5.8[V]程度となります。
出力短絡時のR1の消費電力は
34[V]2 / 1500 ≒ 0.77[W]
となるので、1[W]タイプを使用することとします。
- トランジスタの選定
定常電流が12[mA]と小さいのでわざわざパワートランジスタは使いたくない
ところです。問題は、負荷が短絡したときです。
コレクタ損失は、最悪でもR1の最大消費電力の1/4になるはずです。
(R1とトランジスタのコレクタ〜エミッタ間の等価抵抗が等しいときに
トランジスタの消費電力が最大になるので。実際はもっと小さいはずですが。)
とすれば、0.77[W]/4 ≒ 193[mW]
の電力に耐えられる品種なら使えると考えました。
汎用品の2SC1815とパワートランジスタとして古くからある2SD880を
候補として検討すると下記の表となります。
| 項目 |
記号 |
単位 |
判定値(設計値) (max) |
2SC1815 |
2SD880 |
| 仕様 |
判定 |
仕様 |
判定 |
| コレクタ最大電流 |
IC(max)
| mA |
22.7 |
150 |
OK |
3000 |
OK |
| ベース最大電流 |
IB(max) |
mA |
15.1 |
50 |
OK |
500 |
OK |
| 最大コレクタ損失 |
PC(max) |
mW |
193 |
400 |
OK |
30[W] |
OK |
最大コレクタ エミッタ間電圧 |
VCEO |
V |
34 |
50 |
OK |
60 |
OK |
判定欄は、「判定値<仕様]ならOKとした。
2SD880はもちろん問題なく余裕も十分ですが、2SC1815でも何とかなりそうです。
というわけで、2SC1815を使用することとしました。
- 平滑回路
平滑回路の実験結果から、リプル含有率は
1%くらいが相場(?)のように見えます。
平滑コンデンサーからみた等価的な負荷抵抗RLは、
出力電圧34[V]、出力電流を0.022[A]
(負荷電流:12[mA] + ツェナー電流:10[mA])とすれば
RL = 34[V]/0.022[A] ≒ 1545[Ω]となるのでリプル含有率の計算式
γ = 1/(2f * C * RL)
を変形してCの値を計算すると
C = 1/(2f * γ * RL) = 1/(2 * 50 * 0.01 * 1545) ≒ 647[μF]
2倍以上の静電容量の電解コンデンサーを
E6系列から選定して
2200[μF] とすることにしました。このときのリプル含有率は、
γ = 1/(2f * C * RL) = 1/(2 * 50 * 0.0022 * 1545) ≒
0.29%
となります。
- 整流回路
ダイオードブリッジによる全波整流方式とします。
以下、ダイオードに要求される仕様について検討します。
- 逆耐圧(VR)
必要な逆方向の耐圧は以下の式で与えられます。
VR=Vac(rms) × √2= 24 × √2 ≒ 34[V]
-
定格電流(IF(AV))
整流回路の負荷として流れる平均電流(IDC)は、
IDC = 22[mA]
なので、ダイオードに流れる平均電流IF(AV)は
IF(AV) = IDC/2 = 11[mA]
ですが、実際は、出力端子を誤短絡したときに最大電流が流れるので
IF(AV) = (IC(max) + IB(max))/2 =
(22.7[mA] + 15.1[mA]) / 2
= 18.9[mA] ≒ 20[mA]
を要求仕様としました。
- 定常ピーク電流
等価的な負荷抵抗RLは1545[Ω]でした。
また、平滑コンデンサーの容量は2200[μF]です。
電源トランスの2次側巻き線抵抗(Rs)は実測の結果、約87[Ω]だったので、
・全波整流回路のとき
Rs/2RL = 87/2/1545 ≒ 0.04 = 2.8%
2ωCRL = 2*2*π*50*2200E-6*1545 ≒ 2136
となるので、O.H.Schadeのグラフから
(グラフからはみ出したので2ωCRL = 1000としました)
ダイオードのピーク電流VF(peak)を読み取ると、
平均電流:IF(AV)の約7倍ですので、
IF(peak) = IF(AV) * 7 = 20[mA] * 7 =
140[mA]

-
突入電流I(sarge)
以下の式で与えられます。
I(sarge) = Vi(max) /Rs = Vac(rms) *√2 / Rs = 24 * √2 / 87 ≒
0.4[A]
これらの条件を満たすブリッジ・ダイオードを探した結果、
テスター・アダプタでも使用したW02を選定しました。
要求仕様(判定値)と候補デバイスの仕様の比較を下記の表に示します。
| 項目 |
記号 |
単位 |
判定値(設計値) (min) |
W02 |
| 仕様 |
判定 |
| 最大逆方向電圧 |
VR | V |
34 |
200 |
OK |
| 平均電流 |
IF(AV) | A |
0.02 |
1.5 |
OK |
| 定常ピーク電流 |
IFRM |
A |
0.14 |
50 |
OK |
| サージ電流 |
Isarge |
A |
0.4 |
50 |
OK |
判定欄はいずれも、「判定値<仕様」ならOKとした(マージンを考慮していない)。
- 発振回路とエミッタフォロワーの基板の電源バイパス・コンデンサー
VccとGND間に100[μF]をつけました。
使用部品
特殊な部品は使用していないので特に記すことはないです。
回路図では電解コンデンサーの耐圧は省略しましたが、470[μF]の電解
コンデンサーは耐圧の高い物は背が高くなるので、6.3[V]を使用しました。
平滑用2200[μF]の電解コンデンサーは50[V]を使用しました。
これ以外の電解コンデンサーは16[V]か25[V]品で問題ないでしょう。
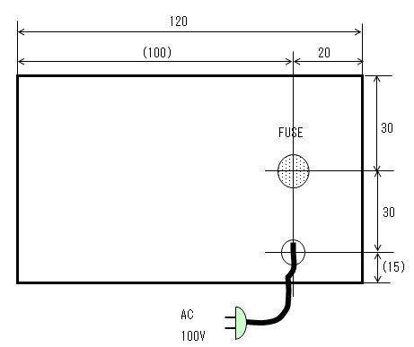
製作
ケースは定番のCN-13Nです。
- 正面寸法

- 背面寸法

- 内部実装

- 移相回路のCRはロータリースイッチにチューブラで配線
(あんまり美しくないけど(^^;; )

動作確認・調整
- 電源回路の動作確認
最初に電源基板のみ組み立て動作を確認します。
LEDが点灯し、直流出力電圧(Vcc)をテスターで測定し、10[V]前後出ていれば
OKです。
電源基板各部の電圧も念のためチェックしました。その結果、整流電圧がかなり
低いことが判明しました。(゜o゜;;

設計上は34[V]を見込んでいたので29.4[V]は想定より4.6[V]も低いです。
見落としていたのばブリッジ・ダイオードによる電圧降下で、最大2[V]
(ダイオード1個あたり1[V])ですが、それでも合いません???
トランスの二次側の交流電圧は約25[V]だったので、トランスの問題では
なさそうです。この結果、トランジスタのコレクタ〜エミッタ間の電圧が
1.9[V]になってしまい、ツェナーダイオードの電流も8.6[mA]になってしましたが、
どうにか動作に支障はないようなのでこのままにしました。
下図はエミッターフォロワー(2)の電圧です。概ね設計通りです。

(白の吹き出しが設計値。黄色が実測値)
発振回路とエミッターフィォロワー(1)の電圧は
「バイポーラトランジスタ2段直結アンプ(エミッタ接地〜コレクタ接地)の実験」
とほぼ同じなので省略します。
- 発振波形の調整
周波数調整用の半固定抵抗(10kΩ)は最大にしておきます。
この半固定抵抗の値は小さくし過ぎると発振が停止してしまいます。(>_<;
増幅度調整用の半固定抵抗(1kΩ)はエミッタ側にしておきます。
電源を入れ、発振していることが確認出来たら、オシロスコープで波形を
観測しながら、増幅度調整用半固定抵抗(1kΩ)を調整し、発振が安定に継続し、
かつ波形歪が小さくなるような位置を探して設定します。
波形は各周波数レンジ毎に確認します。
発振電圧はレンジが低い方が大きくなるので、一番低い100Hzが歪易いようです。
しかし、歪を小さくし過ぎると高いレンジの3kHzで発振が止まることがあるので
レンジを変えながら何回か調整します。
- 発振周波数の調整
発振周波数の調整は1kHzで実施しました。
周波数調整用の半固定抵抗(10kΩ)を調整しカウンタの値が1kHzになるよう
調整すれば終了です。
レンジ毎の調整はできないので、どのレンジを優先するかは個人の好みです。(^^;
- 発振周波数
今回調整した結果、下記となりました。
最大出力電圧は、テスターアダプタで測定したので、1k[Hz]以上は
やや怪しいです。(-_-;
レンジ [Hz] |
実測周波数 [Hz] |
最大出力電圧 [mV](無負荷) |
最大出力電圧 [mV](600Ω負荷) |
出力インピーダンス [Ω](*1) |
備考 |
| 100 |
102 |
1000 |
520 |
733 |
|
| 300 |
309 |
980 |
500 |
733 |
|
| 1k |
1.00k |
940 |
440 |
733 |
このレンジで周波数を設定 |
| 3k |
2.96k |
800 |
360 |
733 |
|
(*1)出力インピーダンスの簡易測定法
により測定しました。設計値よりやや大きいです。(-_-??
- 発振波形
1[kHz]の出力波形です。オシロスコープで見る限り結構きれいです。(^^v

0.2ms/div、200mV/div
100[Hz]の出力波形です。マイナス側の最大値付近で少し歪が感じられます。

2ms/div、200mV/div
今後の課題
本機は機能を最低限にしぼり、できる限り簡単に作ることを優先した仕様なので、
とりあえず発振器としては問題ないのですが、気になるのは
- 出力インピーダンス
設計値(約600[Ω])と実測値(約733[Ω])との差がやや大きいです。
測定法の問題かもしれませんが。
- 整流電圧
動作確認の項に記載した通り、設計値と実測値との差が想定外に大きいですが
動作に支障がないため、とりあえず原因調査は保留にしています。(-_-;
今後は、周波数の連続可変、より高い周波数の発振、正弦波の低歪み化などを目指した
高性能な発振器を2号機以降で製作していく予定です。
参考文献
- 定本続トランジスタ回路の設計(1992 初版) 14.2 CR発振回路の設計、鈴木雅臣著、CQ出版社
- はじめてのトランジスタ回路設計(1999 初版) P-108〜112 2石で組むエミッタ・フォロワ、
黒田徹著、CQ出版社
関連項目
- 関連図

- 電子回路−
移相発振回路の原理
- 発振回路の実験−移相発振回路の実験
- トランジスタ増幅回路の実験−
バイポーラトランジスタ2段直結アンプ(エミッタ接地〜コレクタ接地)の実験
- トランジスタのデバイス実験−エミッター・フォロワーの実験
- 電源回路の実験−平滑回路の実験
- 電子回路−
平滑回路の動作(コンデンサー入力形)
- 電子回路−
整流用ダイオードの逆耐圧と電流
- 電源回路の実験−
ツェナー・ダイオードによる定電圧電源の実験
- 電源回路の実験−
電流増幅回路付きシャント・レギュレータの実験
- 抵抗器に関する情報−E系列
- 自作計測回路−出力インピーダンスの簡易測定法
製作後記
本機設計の前提条件であった移相発振回路の実験で、想定外のトラブルにみまわれた上、
部品の調達にも手間取り、それらの影響で本機の完成は計画より4ヶ月以上遅れてしまいました。(>_<;;
まあ、しかし、本機の完成により、ようやくアナログ実験における三種の神器(?)である
テスター・アダプター(mV交流電圧計)、正弦波発振器、および(簡易)安定化電源が
そろったことになります。
これまで、FETやバイポーラ・トランジスタの実験では、手元に発振器がないものと
想定して、わざと信号源としてトランス・ボックス
を使ってきましたが、
これからは本発振器をメインに活用していく計画です。
(本当は、学生時代に作った、本機より多機能で優秀な発振器
が手元にあったのですが
本ホームページの実験ではわざと使ってきませんでした。笑)
・記念(?)写真
テスター・アダプター(とアナログ電圧計)、低周波発振器、簡易安定化電源が
三役そろい踏み(^^v

JH8CHUのホームページ>
発振器>低周波発振器
Copyright (C)2024, 2025 Masahiro.Matsuda(JH8CHU), all rights reserved.