JH8CHUのホームページ>
トランジスタ・パルス回路の解析
>トランジスタのスイッチ動作の基本
トランジスタのスイッチ動作の基本
本ページ作成。(2025/06/30)
回路の機能
トランジスタがスイッチのようにONとOFFの動作をします。
トランジスタ・スイッチのON/OFFは入力電圧Vi(または入力電流)により制御します。
また、トランジスタには電流増幅作用があるため、少ない電流で大きな電流を
ON/OFF制御出来ます
回路図
回路の動作原理
(1)トランジスタのOFF動作
能動領域にあるバイポーラ・トランジスタにおいてベース電流IBを次第に
減少させていくとコレクタ電流Icは
Ic = hFE * IB
の関係があるためIcも次第に減少していきます。
このためコレクタの抵抗Rcの電圧降下も減少していき、出力電圧Voは
次第に上昇しVccに近づいて行きます。
やがて、IB≒0mAになると、Ic≒0mAになるためVo≒Vccとなります。
Ic=0とゆうことは電流が流れないので、スイッチのOFF状態と等価です。

トランジスタの静特性
で見ると、OFF状態とゆうのは動作点が遮断領域に
あることを意味します。

(2)トランジスタのON動作
能動領域にあるバイポーラ・トランジスタにおいてベース電流IBを次第に
増加させていくとコレクタ電流Icは
Ic = hFE * IB
の関係があるためIcも次第に増加していきます。
コレクタ電流が増加すると抵抗Rcでの電圧降下が次第に大きくなりVoは低下していきます。
Ic = Vcc/Rcまで電流が増加すると、トランジスタのコレクタ〜エミッタ間電圧VCE
はほぼ0
(厳密にはVCE(sat))となります。よってVoもほぼ0となります。

VCEが0になると、もうそれ以上IBを増加させても
Icは増加しなくなります。この状態を飽和状態といい、スイッチのON状態に相当します。
トランジスタの静特性
で見ると、ON状態とゆうのは動作点が飽和領域に
あることを意味します。

ON状態で流れるコレクタ電流Icは負荷抵抗Rcで決まります。すなわち、
Ic = (Vcc - VCE(sat)) / Rc ≒ Vcc/Rc
上記のように入力電流IBによりトランジスタのコレクタ〜エミッタ間を
スイッチのようにONとOFFの状態に制御することが出来ます。
ちなみに、IB ≒ Vi / RBなので(∵ VBE << Vi)、
入力電圧ViによりトランジスタのONとOFFの状態を制御しているとも言えます。
通常は電圧で制御していると考えた方が判りやすいです。
(この回路では実際のスイッチとは異なり、電流はコレクタからエミッタ方向にしか
流すことは出来ません。双方向に電流を流すためには回路上の工夫が必要です。)
簡単な設計例
- 設計条件。
- 回路構成
- 電源電圧(Vcc): 5[V]
- ON状態(飽和時)のコレクタ電流(Ic): 1[mA]
- 入力電圧(Vi)
- トランジスタの直流電流増幅率(hFE): 70〜140
- RCの決定。(誤差を考えない)
トランジスタがOFF状態のときは電流が流れないので、ON状態の条件で決定します。
ON状態のときはコレクタ〜エミッタ間電圧はほぼ0(≒VCE(sat))ですので
RC両端の電圧はVccとなります。設計条件より、このときのコレクタ電流Icは
1[mA]ですので、コレクタ抵抗Rcは
Rc = Vcc / Ic = 5 / 0.001 = 5[kΩ]
E6系列から選定すると
Rc = 4.7[kΩ]ということになるでしょう。
このときのIcを改めて計算すると
Ic = Vcc / Rc = 5 / 4700 ≒ 1.06[mA]
- RBの決定。(誤差を考えない)
Icが決定したので、トランジスタのhFEが決まればIBが決定できます。
hFEはバラツキの大きなパラメータですが、今回は設計条件より70〜140です。
トランジスタを確実に飽和されるためのベース電流の最小値を求める条件は
hFEが最小となる70のときなので、
IB = Ic / hFE(min) = 1.06[mA] / 70 ≒ 15.1[μA]
となります。しかし、この値はトランジスタを飽和させるための最低限の電流です。
トランジスタを確実に飽和されるためには、この値の2〜10倍のベース電流が流れる
ようにRBを決定します。以下、10倍で計算します。
トランジスタをONさせるためのViの電圧は設計条件よりVi = Vcc =5.0[V]でしたので
トラジスタのベース〜エミッタ電圧(VBE)を0.7[V]とすれば
RB = (Vi - VBE) / IB =
(Vcc - VBE) / IB = (5.0 - 0.7) / (15.1[μA] * 10)
≒ 28,477[Ω]
となります。ベース電流を飽和させるために必要な値の10倍で計算したので
少しくらい小さくなってもよいので、RBは計算値の28,477[Ω]より多少
大きいRB = 33[kΩ]とします。このとき、IBは
IB = (Vi - VBE) / RB = (5.0 - 0.7) / 33,000 ≒ 130[μA]
となり、トランジスタを飽和させるために必要なベース電流:15.1[μA]の約8.6倍なので
十分トランジスタを飽和(ON)することができます。
- 誤差の影響を検討する
ここまでの設計では誤差がないものとして計算を進めてきました。
しかし、実際には電源電圧(Vcc)と各抵抗値には誤差が伴います。
誤差があってもきちんと動作するか検討します。
具体的には、電源電圧(Vcc)と各抵抗値に±5%の誤差があった場合で検討します。
まず、コレクタ電流(Ic)です。
IC(max) = VCC(max) / RC(min) =
(5 * 1.05) / (4700 * 0.95) ≒ 1.18[mA]
IC(min) = VCC(min) / RC(max) =
(5 * 0.95) / (4700 * 1.05) ≒ 0.96[mA]
hFE=70でしたので
IB(max) = IC(max) / hFE =
1.18[mA] / 70 ≒ 16.9[μA]
IB(min) = IC(min) / hFE =
0.96[mA] / 70 ≒ 13.7[μA]
これが最低限必要なベース電流の値です。
一方、実際のベース電流のバラつきはViとRBが5%づつ誤差があるとすると
IB(max) = (Vi(max) - VBE) / RB(min) =
{(5.0 * 1.05) - 0.7} / (33,000 * 0.95) ≒ 145[μA]
IB(min) = (Vi(min) - VBE) / RB(max) =
{(5.0 * 0.95) - 0.7} / (33,000 * 1.05) ≒ 117[μA]
となりますが、トランジスタをONさせるための必要ベース電流の8.5〜8.6倍となり
問題ないことが判りました。
結局のところ、今回の回路構成においてはVccや抵抗器の誤差を考慮する必要は
なかったことになります。これはトランジスタを飽和させるベース電流を
最低限の2〜10倍で設計したからだと思いますが、いつもこうなるかは一考を要します。
一方、一般的に深く飽和させるとスイッチング速度が低下します。
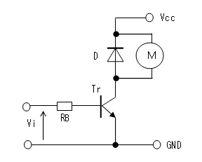
負荷の応用
トランジスタ・スイッチの負荷は、抵抗である必要はありません。
典型的な例をいくつかあげます。
- 発光ダイオード(LED)
トランジスタ・スイッチによりLEDの点灯/消灯を制御する回路です。
抵抗RDはLED点灯時の電流制限抵抗です。

- リレー
直流リレー(Ry)のON/OFFを制御する回路です。
トランジスタにパワー・トランジスタを使うと、電流の大きなリレーも
制御出来ます。リレーなどのインダクタンスを制御する場合、OFFになる瞬間
インダクタンスの両端に大きな電圧が発生し、トランジスタを破損する危険が
あります。これを防ぐために、ダイオードやCR(コンデンサーと抵抗)による
サージ・キラーが必要になることが多いです。

- 直流モーター
基本的にはリレーと同じすが、このままではON/OFFのみで逆回転が出来ません。
制御信号(Vi)をPWM(パルス・ワイズ・モジュレーション)してデューティー比を
変えるとモーターの回転速度を変えることも出来ます。
逆回転させるためにはモーターの電圧を逆方向にかける必要があるため、
いわゆるH型回路にする必要がありますが、その場合はトランジスタより
パワーMOS FETの方が適しています。

- ステッピング・モーター
直流モーターと同じ回路が相数分必要になります。
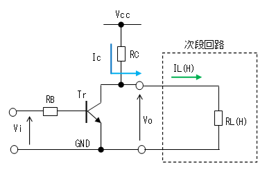
次段の回路が接続されるとき
パルス回路やディジタル回路では、次段の入力インピーダンスは一般的に、
HレベルのときとLレベルのときとでは異なります。
- L出力時、次段から流れ込む電流
次段の入力インピーダンスをRL(L)とします。
トランジスタのコレクタに流れ込む電流はIcの他に負荷側からIL(L)が
流れ込むため、増加します。ので、トランジスタの許容電流に注意します。
それに伴い飽和電圧(VCE(SAT))がわずかに上昇する可能性もあります。

- H出力時、次段に流れ出す電流。
次段の入力インピーダンスをRL(H)とします。
トランジスタは遮断状態ですのが、電流Icは全て次段側の電流IL(H)となります。
これに伴い、VoはVccより低下します。
下図の場合 Vo = RL(H) / (RC + RL(H)) * Vcc
次段のHレベルの電圧(min)が規定されている場合、規定を満足するかRcの検討が必要です。

- 容量負荷による立ち上がり時間の遅延増大。
次段の入力に容量性の負荷(C)があると出力波形(Vo)の立上がりが遅れます。
トランジスタがONとなりCの電荷が0の状態で、トランジスタがOFFになると
コンデンサーの電荷は抵抗Rcを経由して充電されるのでVoはすぐには上昇しません。
このCには配線容量なども含まれるので、たかだか数pFの場合でもVoがON/OFFする周期が
短い場合、立上がりの遅れが無視出来なくなります。

トランジスタがOFFからONに遷移するときはコンデンサーの電荷がトランジスタを
経由して放電するので立ち下がりは一般的に高速です。

以上の現象を波形でみると下図のようになります。

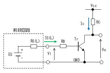
前段の回路が接続されるとき
信号の極性を反転させる必要性からトランジスタ・スイッチを2段接続するなどは
あるある回路です。二段目のスイッチ回路から見た、前段のスイッチ回路の影響を
検討します。
- H入力時、前段から流れ込む電流
前段の出力インピーダンスをRS(H)とします。
トランジスタのベースに流れ込む電流(IB)はRBとRS(H)の
直列回路経由となるため、トランジスタを十分飽和させられるIBが流れるか
検討が必要です。

- L入力時、前段から流れ込む電流。
前段がLレベルを出力している場合でも0.1〜1.0[V]くらいの電圧が残っている場合が
があります。テスターでViを図るとほとんど0[V]なので正常に見えます。
トランジスタを増幅に使う場合、ベース〜エミッタ間電圧(VBE)は0.6〜0.7[V]くらい
なのでViが0.5[V]位あると急激にコレクタ電流Icが流れ始め、Trが遮断状態から能動状態に
移行しVoが低下する恐れが出てきます。

具体的な事例が下図です。
前段のトランジスタが確実に飽和し、Viが十分低くなるよう注意します。

トランジスタ・スイッチの入出力特性
トランジスタをスイッチとして使用する場合、静特性上では上記のように遮断領域と飽和領域を
使用しますが、スイッチのON状態とOFF状態を相互に遷移する過程では、短時間ですが能動状態を
経由します。

トランジスタ・スイッチは直流結合された増幅回路とみなすことも出来るので、入力電圧(Vi)を
横軸に取り、出力電圧(Vo)を縦軸に取って、下図のような入出力特性のグラフが描けます。
(入出力伝達特性とも言う)

トランジスタ・スイッチを制御する入力電圧(Vi)の立ち上がりや立ち下がり時間が
遅いと、能動領域を通過する時間が長くなり、出力の波形もなまってしまうことになります。

ON/OFF間の遷移時間が長いと、動作速度が上げられなくなるだけでなく、遷移の途中で
ノイズの影響を受け易くなります。
一方、ではON/OFF間の遷移時間が短いほど良いのかというと、あまり遷移時間が短いと、
今度は反射というやっかいな現象が出始めます。
今後の課題
トランジスタ・スイッチを使用する場合の注意事項について、いくつか定性的に記載しましたが
LEDのON/OFF制御程度だとあまり心配はいりません。(^^;
システムの観点からの直流レベル設計(いわゆるワースト・ケース設計)や、トランジスタを高速に
スイッチングさせる場合の解析については、別途検討します。
参考文献
関連項目
- 電子回路−
トランジスタのエミッタ接地における静特性
JH8CHUのホームページ>
トランジスタ・パルス回路の解析>
トランジスタのスイッチ動作の基本
Copyright (C)2025 Masahiro.Matsuda(JH8CHU), all rights reserved.