JH8CHUのホームページ>
トランジスタ・パルス回路の解析
>ダイオード・リミッターの動作
ダイオード・リミッターの動作
本ページ作成(2024/06/28)
回路の機能
波形の一定レベルより下の部分を切り出して取り出す回路です。
(波形が負になる場合は、絶対値が一定以下を取り出します。)
言い換えると、波形の振幅を制限する回路です。
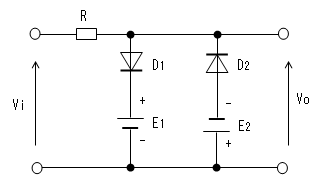
回路図
動作波形
入力波形Viが右図のような場合、出力波形Voは、プラス側ではE1以上で、
マイナス側では−E2以下(絶対値ではE2以上)が切り取られます。
このため、波形が制限されることからリミッターと呼ばれます。
E1とE2は同じである必要はありません。
また、Viの極性が片側にしか振れない場合、D1・E1または
D2・E2の
一方を省略できます。

動作の詳細
以下の説明では、ダイオードの順方向電圧(VF)を無視しています。
(すなわち、VF = 0)
- リミット・レベルの考え方
ダイオードと電源の極性が逆に接続されているので、直観的には動作が理解
しずらいかもしれません。
D1のカソード側の電位はE1なので、VoがE1に
達するとD1が導通します。
よってVoはE1より大きくなりません。
一方D2のアノード側の電位は−E2なので、Voが−E2より
負に振れようとするとD2が導通します。
よってVoは−E2より小さく(絶対値ではE2より大きく)なりません。

- Vi > E1のとき
D1が導通してVo = E1となります。
ダイオードが遮断(OFF)から導通(ON)に切り替わるとき、また導通(ON)から遮断(OFF)に
切り替わるときは、ダイオードの非線形性のため、実際のVo波形の切れ目のカド
(Vo波形の赤線の両端)は丸まります。

- Vi < −E2のとき
D2が導通してVo = −E2となります。
前項同様、ダイオードの非線形性のため、実際のVo波形の切れ目のカド(Vo波形の赤線の
両端)は丸まります。

- −E2 ≦ Vi ≦ E1のとき
D1、D2とも遮断(OFF)状態となるので、入力波形(Vi)が
そのまま出力(Vo)に現れます。

参考文献
- パルス回路の設計(昭和56年、第20版)P.70-71、猪飼國夫著、CQ出版社
- パルスとディジタル回路(昭和56年、第20版)P.174、小柴典居著、オーム社
- ディジタル回路(昭和63年、第1版)P.49、川又晃著、オーム社
関連項目
- 電子回路−ダイオード
JH8CHUのホームページ>
トランジスタ・パルス回路の解析>
ダイオード・リミッターの動作
Copyright (C)2024 Masahiro.Matsuda(JH8CHU), all rights reserved.