



| 時間(t) | 回路の状態 | 波形 | 動作説明 |
| 0≦t<t1 | ![]() |
![]() |
コンデンサーの電荷が0なので 両端の電圧(Vc)も0です。 出力(Vo)は抵抗(R)により 直流的にも0[V]です。 |
| t=t1 | ![]() |
![]() |
時刻t1で入力(Vi)がVi=Eに 立ち上がります。 コンデンサー(C)はすぐに充電 しないので、この瞬間のVcは 0のままです。よって出力電圧 (Vo)もEに立上がります。 コンデンサーから抵抗に電流が 流れ始めますが、この瞬間の 電流IはI=E/Rです。 |
| t1<t≪t2 | ![]() |
![]() |
電流Iによりコンデンサーが充電 されるのでVcは0から次第に大きく なります。Vcが大きくなるとVoが 次第に小さくなるので、電流Iも 次第に小さくなります。 そのカーブは指数関数です。 |
| t1≪t<t2 | ![]() |
![]() |
時定数がパルス幅より十分 小さいと、時刻がt2になる前に コンデンサーがVc≒Eまで充電 されます。よってVo=E-Vc≒0、 I=Vo/R≒0になります。 |
| t=t2 | ![]() |
![]() |
時刻t2で入力(Vi)がVi=0に 立ち下がります。 コンデンサー(C)はすぐに放電 しないので、この瞬間のVcは Eのままです。よって出力電圧 (Vo)は−Eに立下がります。 コンデンサーから抵抗に電流が 流れ始めますが、この瞬間の 電流Iは|I|≒E/Rです。 |
| t2<t | ![]() |
![]() |
電流Iによりコンデンサーが放電 するのでVcはEから次第に小さく なります。Vcが小さくなるとVoは -Eから次第に0に近づくので、 電流Iも次第に小さくなります。 そのカーブは指数関数です。 |

| 時間(t) | 回路の状態 | 波形 | 動作説明 |
| 0≦t≦t1 | (省略) | (省略) | |
| t1<t<t2 | ![]() |
![]() |
電流Iによりコンデンサーが充電 されるのでVcは0から次第に 大きくなりますが、t2になっても Eまで充電しきれず、VoはV1まで しか低下しません。 |
| t=t2 | ![]() |
![]() |
時刻t2で入力(Vi)がVi=0に 立ち下がります。 コンデンサー(C)はすぐに放電 しないので、この瞬間のVcは (E-V1)のままです。よって出力電圧 (Vo)は(V1−E)に立下がります。 |
| t2<t<t3 | ![]() |
![]() |
電流Iによりコンデンサーが放電 するのでVcは(E-V1)から次第に 小さくなります。Vcが小さくなる とVoは(V1-E)から次第に0に近づき ますが、t3になっても0には なりません。また、定常状態では VoはEに達しません。 |



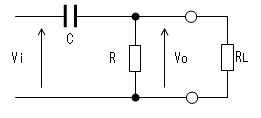
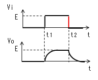
| 時間(t) | 回路の状態 | 波形 | 動作説明 |
| 0≦t<t1 | ![]() |
![]() |
コンデンサーの電荷が0なので 両端の電圧も0です。 よって出力(Vo)も0[V]です。 |
| t=t1 | ![]() |
![]() |
時刻t1で入力(Vi)がVi=Eに 立ち上がります。 コンデンサー(C)はすぐに充電 しないので、この瞬間の出力(Vo) は0のままです。抵抗の両端にEの 電圧がかかります。 抵抗からコンデンサーに電流が 流れ始めますが、この瞬間の 電流IはI=E/Rです。 |
| t1<t≪t2 | ![]() |
![]() |
電流Iによりコンデンサーが充電 されるのでVoは0から次第に大きく なります。Voが大きくなるとVRが 次第に小さくなるので、電流Iも 次第に小さくなります。 そのカーブは指数関数です。 |
| t1≪t<t2 | ![]() |
![]() |
時定数がパルス幅より十分小さいと 時刻がt2になる前に、コンデンサー がVo≒Eまで充電されます。 よってVR=E-Vo≒0、I=VR/R≒0に なります。 |
| t=t2 | ![]() |
![]() |
時刻t2で入力(Vi)がVi=0に 立ち下がります。 コンデンサー(C)はすぐに放電 しないので、この瞬間のVoは Eのままです。 コンデンサーから抵抗に電流が 流れ始めますが、この瞬間の 電流Iは|I|≒E/Rです。 |
| t2<t | ![]() |
![]() |
電流Iによりコンデンサーが放電 するのでVoはEから次第に小さく なり0に近づくので、電流Iも 次第に小さくなります。 そのカーブは指数関数です。 |

| 時間(t) | 回路の状態 | 波形 | 動作説明 |
| 0≦t≦t1 | (省略) | (省略) | |
| t1<t<t2 | ![]() |
![]() |
電流Iによりコンデンサーが充電 されるのでVoは0から次第に大きく なりますが、t2になっても充電 しきれず、VoはV1までしか上昇 しません。 |
| t=t2 | ![]() |
![]() |
時刻t2で入力(Vi)がVi=0に 立ち下がります。 コンデンサー(C)はすぐに放電 しないので、この瞬間のVoは V1のままです。 |
| t2<t<t3 | ![]() |
![]() |
電流Iによりコンデンサーが放電 するのでVoはV1から次第に 小さくなり0に近づきますが、 t3になっても0にはなりません。 よって、定常状態では VoはEと0の間を行き来します。 |
