





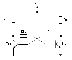
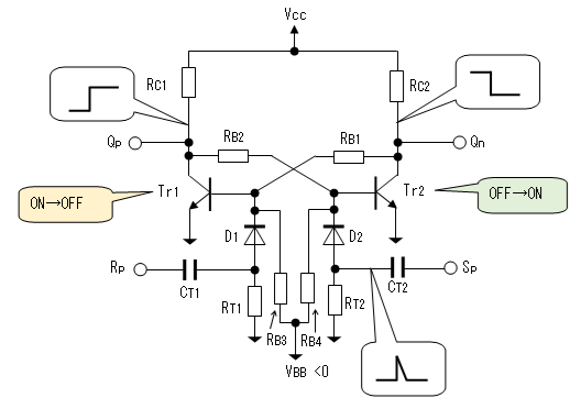
| No. | トリガ・パルス の印加位置 |
パルスの極性 | 特徴 | 備考 |
| 1 | ONトランジスタ のベース |
負極性 | トリガをベースに印加するので トランジスタの 増幅作用により トリガの電力が少なくて済む。 この裏返しとして、ノイズに やや敏感となる。 |
|
| 2 | OFFトランジスタ のベース |
正極性 | トリガをベースに印加するので トランジスタの 増幅作用により トリガの電力が少なくて済む。 No.1の方法より更にノイズに 敏感となるので、ベースを抵抗経由 で負電圧に引いてやるのが現実的。 |
|
| 3 | OFFトランジスタ のコレクタ |
負極性 | トリガをベースに印加する場合より トリガの電力が必要であるが、 その分ノイズに強くなる。 |






