JH8CHUのホームページ>ラジオ・無線機>ゲルマニウム・ラジオ
ゲルマニウム・ラジオ
全体回路図、外観写真掲載(2008/12/21)
同調回路と検波回路について記述(2012/12/15)
外観

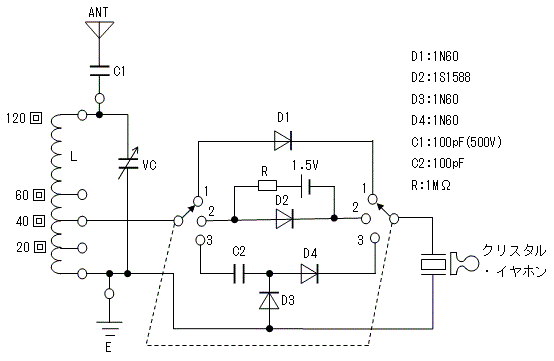
全体回路図

同調回路
同調回路とアンテナの組み合わせに関するバリエーションです。
- 回路構成
(構成1)今回製作したラジオで採用した方式です。
コイルの1次側/2次側が別れていないのでシンプルで作りやすいですが
欠点は、アンテナ(ANT)やアース(E)を接続したとき
同調回路の周波数がずれてしまうことです。
最初はアンテナやアースの効果を確認するために付けたり
外したりするこが多いのですが、放送が聞こえなくなると
同調がずれたためか、アンテナやアースがよくないためかを
比較判断するのが難しいです。
(構成2)ゲルマニウム・ラジオとしては一番多い構成だと思います。
アンテナとアースを同調回路のあるL2側ではなくL1側に接続するため
同調周波数はアンテナやアースの影響を受けずらいと思われます。
問題はコイルを自作する場合、L1側の定数をどのように決定するかです。
今回は採用を見送りましたが、いつか再検討したいと思います。
(構成3)ゲルマニウム・ラジオでは見かけませんが、携帯トランジスタ・ラジオ
などで見かける方式で、通常、外部アンテナを接続せず、バーアンテナ
を用いる方式です。同調回路はL1側で、L2側は初段のトランジスタと
インピーダンス・マッチングが取りやすいように決めらます。
- 共振周波数
バリコンの容量測定
同調回路は一種の共振回路なので、コンデンサの静電容量をC、
コイルのインダクタンスをL、共振周波数をfとすれば、
f = 1/{2*π*√(LC)}
となります。
コイルを自作するためには、Lをいくらにするか決定しなければなりません。
fとしては、中波放送の周波数帯となるので、だいたい630kHz〜1600kHzです。
あとは、Cの可変範囲を知る必要があります。
今回使用するポリ・バリコンは秋葉原などではまだ見かけますので
とりあえず一個買ってきたのですが、静電容量の可変範囲が判りません。
そこで、ACブリッジを使用して
実測してみることにしました。
結果は、11pF〜265pFでした。
ソレノイド・コイルの製作
- インダクタンスの決定
上記の式を変形すると、
L = 1/{(2*π*f)2 * C}
となりますから、この式から必要なLが求められます。
浮遊容量を10pFと見込み、バリコンの容量が最小:21pFのとき
最も高い周波数1600kHzに同調するとすれば、
L =
また、バリコンの容量が最大:275pFのとき
最も低い周波数530kHzに同調するとすれば、
L =
以上の計算より、必要なインダクタンスを計算すると、だいたい
L = 320〜350[μH]
となるようです。
ちなみに、手元にあったバー・アンテナのインダクタンスは
公称値330±20[μH]でした。
以上より、今回製作するコイルのインダクタンスは350[μH]とすることに
します。
- コイルの設計
トランジスタ・ラジオ用のバー・アンテナは今でも入手可能ですが、
今回は、ラップの芯を使って自作しました。
問題は、コイルの巻き数の決定です。
電磁気学によりますと、ソレノイド・コイルのインダクタンスL[H]は
次の式で求められます。
L = k * 4 * π2 * μ * a2 * N2
* 10-7 / l
ここに、
k:長岡係数
μ:比透磁率
a:コイルの半径[m]
N:コイルの巻数[回]
l(小文字のエル):コイルの長さ[m]
この式によれば、巻数Nを変えると、Nとlとkが同時に変化しますので、
NからLを求めるのはなかなか面倒な式に見えます。
しかし、世の中には親切な人がいるもので、上記の式の数値を放り込むと
Lを計算してくれるスクリプトをインターネットで公開している人がいます。
只なので遠慮なく使用させてもらい、Nをいろいろ変化させて計算してみると
ラップの芯の直径が36mm、線径が0.3mmの場合、だいたい115回くらいで
350μHになるようです。
なお、ソレノイド・コイルは密巻しても、手で巻くと多少幅(長さ)が
長くなるので実際のインダクタンスは多少小さくなるようなので、
実際、コイルを製作する際は少し巻き数を多くして120回としました。
- コイルの製作
コイルの巻線は、0.3φのポリウレタン銅線を使用しました。
まあ、エナメル線とか表面が絶縁させていればなんでもよいです。
百数十回もコイルを巻いていると、途中で線がからまるので、
セロテープなどで巻線を仮止めしながら、からまないようによりを
戻しつつ慎重に巻きます。
- コイルのインダクタンス測定
製作したコイルのインダクタンスを確認するために
交流ブリッジを使用して
測定してみたところ***[μH]となりました。
検波回路
(1)ゲルマニウム・ラジオの検波回路と言えば、これしかない、とゆうくらいの
シンプルな回路です。(ダイオード1個なのでこれ以上減らせない) (^_^;
D1は必ず、順方向電圧の小さいゲルマニウム・
ダイオードまたは
シリコン・ショットキー・ダイオードを用います。
(2)ラジオの検波器としてシリコン・ダイオードは順方向電圧が0.6〜0.7Vと大きく
使用することは出来ません。実際、試してみると電波の強い地元放送局ならば
イヤホンは一応鳴りますが、音が歪んでとても聞くに耐えません。
ところで、電池を使って0.6〜0.7V位のバイアスをかけてやれば、もしかすると
使用できるのではないか、と思っていたところ文献(1)に実施例を見つけました。
そこで、今回実験してみたところ実用になることが確認出来ました。
ただ、「どうせ電池を使うのなら、トランジスタで増幅した方がよいではないか?」
と、言われれば、全くそのとうりだと思います。(^o^;
(3)いわゆる、倍圧整流回路です。
もちろん、D3、D4はゲルマニウム・ダイオードまたはシリコン・ショットキー
ダイオードを用います。
この方式は、今回期待していたのですが、結論から言うと、
全く効果がありませでした。
部品
- ポリ・バリコン

- コイル
- ダイオード
ラジオの検波器として定番だった1N60または相当品はとっくの昔に製造中止で
以前に比べると見かけることは少なくなったと思いますが、
まだまだ、市場には残っているので、ラジオの部品を扱っているところなら
入手は難しくないと思います。
ここは、ゲルマニウム・ダイオードと順方向電圧が0.3V位で小さく、
入手も容易なシリコン・ショットキー・ダイオードで代替え出来ますが
お勧め型番は、今のところありません。(^^;
- クリスタル・イヤホン
- ケース
電灯線アンテナ
アースの考察
今後の課題
参考文献
(1)
JH8CHUのホームページ>ラジオ・無線機>ゲルマニウム・ラジオ
Copyright (C)2008,2012 Masahiro.Matsuda(JH8CHU), all rights reserved.