JH8CHUのホームページ>
トランジスタ・パルス回路の解析
>非安定マルチ・バイブレータの解析
非安定マルチ・バイブレータの解析
暫定版作成。(2012/12/10)
全面見直し・完成。(2026/01/20)
回路の機能
ふたつのトランジスタが交互にON、OFFを繰り返しながら発振します。
安定点を持たないために非安定マルチ・バイブレータと呼ばれています。
別名として、無安定マルチ・バイブレータや自走マルチ・バイブレータ
と呼ばれることもあります。
発振波形は、矩形波(方形波)に近いですが、立上りは遅くなるため
少し丸まります。発振周期やデューティの可変なども可能です。
また、FETやディジタルICにより実現することも出来ます。
ここでは、バイポーラ・トランジスタを用いた最も簡単な回路構成について
検討します。
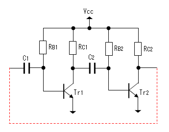
回路図
回路の動作原理
下記の回路図のようにCR結合された2段のトランジスタ増幅器の出力を
点線のように接続し入力に戻すと、位相が同じになるため
正帰還がかかり、回路は発振します。
このとき、帰還量が多いため、発振波形は正弦波とはならず
波形の上下が歪んで矩形波に近い波形となります。
この回路は二つのトランジスタ回路が同じ形をしているため、
通常、下図のように左右対称に記述されます。
ふたつあるトランジスタは必ずTr1とTr2のどちらか一方が
ON(飽和)状態、
他方がOFF(遮断)状態
となっており、そして交互にON、OFFを
繰り返すとゆう特徴を持っています。
しかし、小信号増幅回路のようにトランジスタが線形な動作をする
わけではないため、増幅回路で使用した解析手法が使えません。
そこで、この回路の動作を改めて直流的な時間変化の観点から考えてみます。
(0)t=t0の直前の動作
t=t0の直前においてTr1がOFF、Tr2がONだったとします。

Tr1に電流は流れていないので、コレクタ電圧(VC1)はVcc、
ベース電圧(VB1)はトランジスタがONする0.6[V]より低いはずです。
(実際は0.4〜0.5[V]あたりから電流が流れ始めるので0.4[V]以下のはずで、
マイナスかもしれません)
一方、Tr2のコレクタ電圧は飽和電位(VCE(sat))ですが、ほぼ0[V]です。
またベース電圧(VB2)は約0.6[V]です。
この結果、コンデンサー:C2は(Vcc - 0.6)[V]に充電されているはずです。
一方、コンデンサー:C1には
Vcc → RB1 → C1 → Tr2のコレクタ
の経路で電流が流れるため、次第に充電されTr1のベース電圧(VB1)は
Vccに向かって上昇していきます。
(1)t=t0における動作
C1が充電されることによりTr1のベース電圧(VB1)が上昇し
約0.6[V](実際は0.4〜0.5[V]あたり)に近づくとベース電流(IB1)が
流れ始めます。

Tr1のベース電流(IB1)が流れ始めると
IB1の増加 → IC1の増加 → VC1の低下 →
IB2の減少 → IC2の減少 → VC2の上昇 →
IB1の増加
と、正帰還がかかり短時間にTr1とTr2のON/OFFが入れ替わります。
下図は切り替わった直後の各部の電圧の状態で、コンデンサーの両端の電圧は
まだほとんど変化していません。

Tr1がONなのでコレクタ電圧(VC1)はほぼ0[V]です。
コンデンサ(C2)の両端の電圧は(Vcc - 0.6)[V]なので、Tr2のベース電圧
(VB2)は
−(Vcc - 0.6)[V]となりマイナスに引っ張られTr2は
OFFとなります。
一方、コンデンサ(C1)の両端の電圧は約0.6[V]なので、Tr2がOFFとなった直後は
コレクタ電圧(VC2)は0[V]付近のままとなります。
(2)t=t0以降t=t1直前までの動作

赤線で示すように、
Vcc → RC2 → C1 → Tr1のベース
の経路で電流が流れるため、C1はTr2のコレクタ側が正になるよう
次第に充電されます。このため、C1の両端の電圧の上昇に伴って
Tr2のコレクタ電位(VC2)もVccに向かって上昇していきます。
一方、青線で示すように、
Vcc → RB2 → C2 → Tr1のコレクタ
の経路でも電流が流れるためC2に充電されていた電荷は次第に放電し、
Tr2のベースの電圧(VB2)は−(Vcc - 0.6)からVccに向かって上昇して
いくので、その前にまずマイナス電圧から0[V]に近づいていきます。
ここまでのTr1、Tr2のそれぞれのコレクタ電圧とベース電圧の波形を
図にすると下図のt0〜t1のようになります。

この間、C1の充電と、C2の放電は同時に進行しますが、
通常RC2≪RB2であるため
Tr2のコレクタ電圧の上昇が先に進行します。そして、t=t1の直前まで
Tr1はON、Tr2はOFFの状態が続きます。(この状態を準安定と呼びます)
(3)t=t1における動作

更に時間が経過し、C2が放電し尽くし逆方向に充電が始まると、
VB2の電圧がプラス方向にまで上昇し始めます。
そして、Tr2のベース電圧VB2が0.6V位に接近すると、t=t1において
OFFしていたTr2のベースに電流IB2が流れ始めます。

Tr2のベース電流(IB2)が流れ始めると
IB2の増加 → IC2の増加 → VC2の低下 →
IB1の減少 → IC1の減少 → VC1の上昇 →
IB2の増加
と、正帰還がかかり短時間にTr1とTr2のON/OFFが入れ替わります。
下図は切り替わった直後の各部の電圧の状態で、コンデンサーの両端の電圧は
まだほとんど変化していません。

Tr2がONなのでコレクタ電圧(VC2)はほぼ0[V]です。
コンデンサ(C1)の両端の電圧は(Vcc - 0.6)[V]なので、Tr1のベース電圧
(VB1)は
−(Vcc - 0.6)[V]となりマイナスに引っ張られTr1は
OFFとなります。
一方、コンデンサ(C2)の両端の電圧が約0.6[V]なので、Tr1がOFFとなった直後は
コレクタ電圧(VC1)は0[V]付近のままとなります。
t=t1における各部の電圧を波形でみると下図となります。

Tr1とTr2の回路は同じ形をしているので、これ以降、
Tr1とTr2が交互にON/OFFを繰り返えしながら、発振を継続するようになります。
発振波形は上図のようになりますが、コレクタ電位VC1、VC2の立ち上がりは
時定数C2*RC1、C1*RC2となる丸まった波形となります。
【重要】なお、トランジスタのベース〜エミッタ間にはマイナスの電圧が印加されます。
トランジスタのベース〜エミッタ間の逆耐圧はあまり高くないので(例えば2SC1815なら-5[V])
最大定格を超えないように注意が必要です。
トランジスタのベース電圧は、OFFになる瞬間に−(Vcc - 0.6)[V]まで低下しますが
一般的にVcc>0.6[V]なので、ほぼ-Vccに低下します。
それがVccからRBを経由して放電されだんだん電位が上がり
ほぼ0V付近(実際は0.4〜0.5[V]くらい)でトランジスタのベース〜エミッタ間に
順方向電流が流れ始めるとOFFからONに状態が遷移します。
ベース電圧の変化をグラフにすると下図のようになります。

この曲線はt=0のとき、-Vccを原点とすれば、2Vccを漸近線とする
CR回路の過渡曲線
となるため次のような式になります。
V = 2Vcc * {1 - exp(-t/τ)}
τは時定数なので、CBとRBの積です。
VBがほぼVB≒0になったときトランジスタがONになるので、
Vの式ではV = Vccになる時間が一方のトランジスタがOFFしている時間間隔になります。
そこでVにVccを代入すると
Vcc = 2Vcc * {1 - exp(-t/CR)}
両辺を2*Vccで割ると
exp(-t/CR) = 1/2
両辺の対数をとると
左辺 = logε{exp(-t/CR)} = -t/CR * logε(ε) = -t/CR
右辺 = logε(1/2) ≒ -0.7
∴ t ≒ 0.7 * CR
このtは一方のトランジスタがOFFしている時間ですので、
回路の発振周期(T)はそれぞれのトランジスタのOFF時間を足して
T ≒
0.7 * (C1*RB1 + C2*RB2)
発振周波数(f)はTの逆数となるので
f = 1/T ≒
1.4 / (C1*RB1 + C2*RB2)
C1、RB1、C2、RB2の選び方により非対称の矩形波も
発振出来ますが、もしデューティー50%ととして
C = C1 = C2、R = RB1 = RB2に選ぶならば、
f = 0.7 / (C * RB)
となります。
参考文献
- パルス回路の設計(昭和56年(1981) 第20版(改訂10版))
P-86〜91 非安定マルチバイブレータ、猪飼國夫著、CQ出版社
- ディジタル回路(昭和63年(1988) 第1版第1刷) 2.2 マルチバイブレータ、川又晃著、オーム社
- パルスとディジタル回路(昭和60年(1985) 第3版第1刷) 第3章 マルチバイブレータの基礎、
小柴典居著、オーム社
関連項目
- トランジスタ増幅回路の解析−バイアス回路
- 電気回路−トランジスタのスイッチ動作の基本
- 電気回路−過渡現象
- 電子回路−発振回路
- 電子回路−段間結合回路
JH8CHUのホームページ>
トランジスタ・パルス回路の設計>
非安定マルチ・バイブレータの解析
Copyright (C)2012, 2026 Masahiro.Matsuda(JH8CHU), all rights reserved.