JH8CHUのホームページ
>トランジスタ・パルス回路の解析
トランジスタ・パルス回路の解析
本ページ作成開始(2015/01/08)
ダイオード・リミッター
について記載。(2024/06/28)
トランジスタのスイッチ動作の基本
について記載。(2025/06/30)
カレント・スイッチ
について記載。(2025/09/26)
シュミット・トリガ
について記載。(2025/11/07)
CR微分回路・RC積分回路
について記載。(2025/12/13)
双安定マルチバイブレータ
について記載。(2026/01/08)
非安定マルチバイブレータ
を見直し・完成。(2026/01/20)
単安定マルチバイブレータ
について記載。(2026/01/26)
スピードアップ・コンデンサーの機能
について記載。(2026/02/04)
最近はパルス回路とゆう言葉はあまり使われなくなってきたように思います。
これに対して、アナログ回路とディジタル回路とゆう言葉が使われるようです。
一言で言うとパルス回路とは「非正弦波を扱う回路」とゆうことになります。
なので、演算増幅器(op-AMP)を使用した各種波形回路やディジタル回路は
パルス回路に該当します。
昔の話になりますが、最もポピュラーなパルス回路は、アナログ放送の
テレビの映像信号を扱う回路だったと思われます。
ブラウン管の偏向コイルに加える鋸(のこぎり)波を発生させる回路や
映像信号から同期信号を分離したりする回路です。
概念的な図を下記に記載します。
ここのページに記載するトランジスタ・パルス回路は今ではほとんど古典的な(^^;
回路となってしまいましたが、ダイオード・リミッタなどは、ICやLSIの等価回路
として今でも見ることができ、最も基本的な部分は変わっていません。
参考文献
No.
記事
出版社
著者
特徴
備考
1
パルス回路の設計
(昭和56年、第20版)
CQ出版社
猪飼國夫
実務者向けの文献です。
2
パルスとディジタル回路
(昭和60年、第3版)
オーム社
小柴典居
パルス波形の写真が多く 定評のあった文献です。
第1版は昭和43年発行。
3
ディジタル回路
(昭和63年、第1版)
オーム社
川又晃
論理設計だけではなく
電気的側面についても詳しく書かれています。
ダイオード・リミッター
回路の機能
入力波形の振幅を制限します。
回路図と動作波形の例
動作の詳細
動作の詳細は
こちら
。(2024/06/28)
トランジスタのスイッチ動作の基本
回路の機能
トランジスタがスイッチのようにONとOFFの動作をします。
トランジスタ・スイッチのON/OFFはベース端子の電圧(Vi)により制御します。
回路図
基本動作の詳細
基本動作の詳細は
こちら
。(2025/06/30)
カレント・スイッチ
回路の機能
一種の比較器です。
ふたつあるトランジスタのベース端子のうち、一方を入力端子とし、
他方を参照電圧の設定に使います。入力端子の電圧が、参照電圧を横切るとき、
ふたつあるトランジスタの片方がON、他方がOFFに切り替わることから
カレント・スイッチと呼ばれる回路で、電流切換え形回路と呼ばれることも
あるようです。回路構成をみると差動増幅回路に似ていますが、
実は差動増幅回路と同じものです。
回路図
動作の詳細
動作の詳細は
こちら
。(2025/09/26)
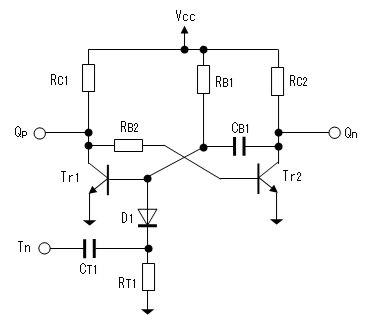
シュミット・トリガ
回路の機能
パルス回路(あるいはディジタル回路)において、HighレベルとLowレベルの間を
遷移する信号(二値信号)を扱う場合、出力のレベルが反転する入力レベルが特定の閾値ではなく
ヒステリシスを持たせた回路をシュミット・トリガと呼びます。
ヒステリシスとはLowレベルからHighレベルに遷移する電圧レベル(V
th+
)と
HighレベルからLowレベルに遷移する電圧レベル(V
th-
)が異なることを言います。 (V
th+
> V
th-
)
回路図
閾値の計算式
閾値(V
th+
)
V
th+
= R
B2
/ (R
C1
+ R
B1
+ R
B2
) * V
CC
閾値(V
th-
)
V
th-
= R
B2
* (V
BE2
* R
C1
+ Vcc * R
E
) / {R
B2
* R
C1
+ (R
B1
+ R
B2
+ R
C1
) * R
E
}
動作の詳細
動作の詳細は
こちら
。(2025/11/07)
CR微分回路・CR積分回路
回路の機能
入力信号を微分・積分する回路ですが、厳密な微分・積分ではなく、
微分・積分に近い波形になる回路です。
微分回路の出力波形例
積分回路の出力波形例
回路図
CR微分回路
RC積分回路
時定数(τ)
τ = C * R
動作の詳細
動作の詳細は
こちら
。(2025/12/13)
双安定マルチバイブレータ
回路の機能
バイステーブル・マルチバイブレータまたはフリップ・フロップ(F/F)などとも呼ばれます。
回路の直流的な安定状態がふたつあり、1bitの情報を記憶出来る回路です。
ふたつの安定状態間を遷移させるために、set信号、reset信号、トグル信号などの
入力端子を持ちます。それぞれの入力端子をset端子、reset端子、トグル端子などと
呼びます。(トグル端子は、T端子、クロック端子などとも呼ばれます。)
RSフリップ・フロップ
set信号により出力(Q)は1(となる電圧レベル)になり、reset信号により
出力は0(となる電圧レベル)になります。
set信号とreset信号が同時に入力されると、以後の状態は不定になるので
同時に入力しないようにします。
(不定とは、0になるか1になるか判らないことです)
T-フリップ・フロップ
トグル信号が入る度に出力が反転するため、1bitのカウンタの働きをします。
1bitのカウンタは入力のトグル信号の回数を1/2にすることから、分周器と
呼ばれることもあります。
ここに記載した回路は基本的なもので、双安定マルチバイブレータはいくつか
バリエーションがあります。
回路図
RSフリップ・フロップ
T-フリップ・フロップ
動作波形
RSフリップ・フロップ
T-フリップ・フロップ
動作の詳細
動作の詳細は
こちら
。(2026/01/08)
非安定マルチバイブレータ
回路の機能
ふたつのトランジスタが交互にON、OFFを繰り返しながら発振します。
安定点を持たないために非安定マルチ・バイブレータと呼ばれています。
別名として、無安定マルチ・バイブレータや自走マルチ・バイブレータ
と呼ばれることもあります。
発振波形は、矩形波(方形波)に近いですが、立上りは遅くなるため
少し丸まります。発振周期やデューティの可変なども可能です。
回路図
発振周期と発振周波数
発振周期(T)
T ≒ 0.7 * (C
1
*R
B1
+ C
2
*R
B2
)
発振周波数(f)
f = 1.4 / (C
1
*R
B1
+ C
2
*R
B2
)
C = C
1
= C
2
、R
B
= R
B1
= R
B2
とするならば、
f = 0.7 / (C * R
B
)
動作の詳細
動作の詳細は
こちら
。(2026/01/20)
単安定マルチバイブレータ
回路の機能
ワン・ショット(one shot)と呼ばれることが多いです。
トリガ・パルスが入る度に一定の長さのパルスを生成する回路です。
双安定マルチバイブレータは安定点がふたつ、非安定マルチバイブレータは安定点が
0でしたが、単安定マルチバイブレータは安定点がひとつです。
トリガ・パルスが入らないときは安定状態のままです。
動作波形
回路図
パルス幅(T
1
)
T
1
≒ 0.7 * C
B1
* R
B1
動作の詳細
動作の詳細は
こちら
。(2026/01/26)
スピードアップ・コンデンサーの機能
スピードアップ・コンデンサーの機能
トランジスタ・スイッチをON/OFFさせるとき、入力信号(I
B
)の変化より
出力信号I(
C
)の変化の方が遅くなります。
これを改善するために用いられるのがスピードアップ・コンデンサーです。
(ターンオン時間(t
on
)とターンオフ時間(
toff
)が短くなる)
動作波形
回路図
スピードアップ・コンデンサー(C
S
)はベース抵抗(R
B
)と
並列に接続します。
動作の詳細
動作の詳細は
こちら
。(2026/02/04)
パルス・アンプ
インバーター(1)(工事中)
回路の機能
トランジスタのスイッチ動作を利用してON状態とOFF状態の
信号を反転することが出来ます。このような反転動作をインバータと言います。
設計仕様
(1)
(2)
回路図
回路定数の計算式
回路設計
回路設計の詳細は
こちら
。(工事中)
ダイオードOR
ダイオードAND
DTL NAND
オープンコレクタ出力
DTL RS−FF
DTL T−FF
DTL 半加算器
DTL 全加算器
DTL カウンタ
ミラー積分
ブートストラップ
JH8CHUのホームページ
>トランジスタ・パルス回路の解析
Copyright (C)2015, 2024, 2025, 2026 Masahiro.Matsuda(JH8CHU), all rights reserved.