JH8CHUのホームページ>トランジスタ増幅回路の解析

(バイポーラ)トランジスタ増幅回路の解析


本ページ作成開始(2006/07/13)
バイアス回路について追記(2014/05/09)
「エミッタ接地小信号増幅回路の設計」の内容を 電子回路のページに移動(2015/03/20)
バイアス回路の設計−R1、R2の計算について誤記訂正。(2024/10/10)
トランジスタ1石増幅回路の設計 について記載。(2024/10/10)
本ページのタイトルを「トランジスタ増幅回路の設計」から「トランジスタ増幅回路の解析」に 変更。(2025/07/07)
差動増幅回路の解析 について記載。(2025/09/04)

  1. バイアス回路

    1. バイアス回路のバリエーション
      簡易固定バイアス固定バイアス簡易自己バイアス自己バイアス
      電流帰還無し
      電流帰還有り

      ほとんどの電子回路の文献には何故か下記の3種類しか記載がありません。
      (1)電流帰還バイアス無しの簡易固定バイアス(通常、単に固定バイアス)
      (2)電流帰還バイアス無しの簡易自己バイアス(通常、単に自己バイアス)
      (3)電流帰還バイアス有りの固定バイアス(通常、単に電流帰還バイアス)

      しかし、単純に組合せを考えると、上記の8通りになることは明らかです。
      この8通りに言及している文献は私の知る限り、参考文献(1)のみです。
      本図の回路の呼び名もこの文献によりました。
      なお、本項目以外のJH8CHUのホームページにおいては、通常の世の中の呼び方(?)
      を用いてます。
      もちろん、この中で最も重要なのは電流帰還バイアス有りの固定バイアスです。

    2. バイアス設定方式
        (1)A級増幅
        (2)B級増幅
        (3)C級増幅

    3. 参考文献
        (1)トランジスタの実用回路入門(2003 第1版第1刷)、富山忠宏著、オーム社
        (2)

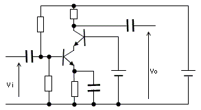
  2. 電流帰還バイアス回路の設計

    1. 回路


    2. 前提条件
        (1)電源電圧:VCC
        (2)コレクタ電流:IC
        (3)エミッタ抵抗REの両端の電圧:VE
        (4)コレクタ抵抗RCの両端の電圧:VC
        (5)トランジスタの直流電流増幅率:hFE(>>1)
    3. バイアス回路の設計手順
        (1)REの計算
          IE = IB + IC = IC/hFE + IC = (1/hFE + 1)* IC
          ここで、前提条件(5)より、hFE>>1なので
          1/hFE << 1  ∴1/hFE + 1 ≒ 1
          ゆえに、IE
          IE ≒ IC
          この近似の元でREを計算すると、
          RE= VE/IE ≒ VE/IC
        (2)RCの計算
          RC = VC/IC
        (3)R1、R2の計算
          R2の両端の電圧VB2
          VB2 = VE+VBE
          となります。
          VBEは約0.7[V]と近似してよいので、
          VB2 = VE+0.7
          一方、R1、R2に流すブリーダー電流はIBの約10倍に設定します。
          IB = IC/hFE
          なので、ブリーダ電流は10*IC/hFE
          従って、
          R1 + R2 = Vcc/(ブリーダ電流)
          = VCC/(10*IC/hFE) = VCC * hFE / (10*IC)
          よって、IBはブリーダ電流より小さいため無視すると、
          VB2はR1とR2により分圧されるので、
          R2/(R1+R2) = VB2/VCC
          ∴ R2 = (R1+R2) * VB2/VCC
          = VCC*hFE/(10*IC) * (VE+0.7)/VCC
          = hFE*(VE+0.7)/(10*IC)
          R1/(R1+R2) = (VCC-VB2)/VCC
          ∴ R1 = (R1+R2) * (VCC-VB2)/VCC
          = VCC*hFE/(10*IC) * (VCC - VE - 0.7)/VCC
          = (VCC - VE- 0.7)*hFE/(10*IC)

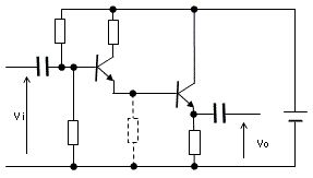
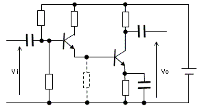
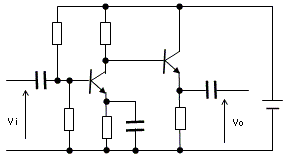
  3. トランジスタ1石増幅回路の設計

    1. エミッタ接地増幅回路(交流負帰還なし)

    2. エミッタ接地増幅回路(交流負帰還あり)

    3. コレクタ接地増幅回路

    4. ベース接地増幅回路
      • 工事中です。

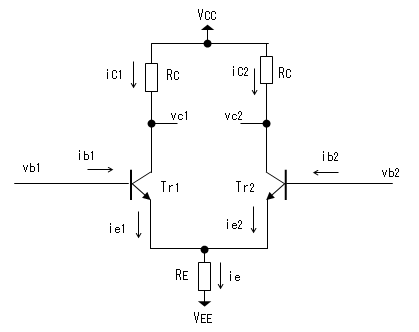
  4. 差動増幅回路の解析

    1. 回路の機能
      • ふたつある入力(vb1、vb2)の差分を増幅した出力が得られる回路です。
        出力もふたつ(vc1、vc2)ありますが、ふたつの出力は同じ波形で位相が
        180°ずれています。出力は必ずしも両方使う必要はありません。
        ふたつあるトランジスタのエミッタ端子は共通になっています。

    2. 回路図


    3. 出力電圧

    4. CMRR(common mode rejection ratio)

    5. (差動)利得

    6. 差動出力インピーダンス

    7. 差動入力インピーダンス

    8. 差動増幅回路の詳細
      • 差動増幅回路の詳細はこちら。(2025/09/04)

  5. 負帰還増幅回路の解析(工事中)


  6. 2段直結増幅回路の解析(工事中)

    増幅回路を二段結合する場合、それぞれの増幅回路に、
    エミッタ接地、コレクタ接地、ベース接地の三通りあるので
    全部で九通りの組み合わせがあります。

    また、それぞれ2個のトランジスタに対して、
    NPN+NPN、PNP+NPN、NPN+PNP、PNP+PNP
    の4通り組合せが考えられますが、これらは直流バイアスの違いだけとなるため
    交流的には9通りで全てとなります。
    初段
    増幅回路
    二段目
    増幅回路
    回路図 電圧
    増幅度
    電流
    増幅度
    入力
    インピーダンス
    出力
    インピーダンス
    特徴
    エミッタ接地エミッタ接地 Av=xxxxAi=xxxx RB//hie1
    =RB*hie1
     /(RB+hie1)
    Rc2NPN+PNP
    または
    PNP+NPN
    の構成
    の方が
    直流的に
    有利
    コレクタ接地 Av=xxxxAi=xxxx RB//hie1
    =RB*hie1
     /(RB+hie1)
    RE2//
     (hic2+Rc1)/hfe2
     
    ベース接地
    (カスコード
      接続)
    Av=xxxxAi=xxxx RB//hie1
    =RB*hie1
     /(RB+hie1)
    Zo=xxxx 
    コレクタ接地エミッタ接地 Av=xxxxAi=xxxx Zi=xxxxRc2 
    コレクタ接地 Av=xxxxAi=xxxx Zi=xxxxZo=xxxx 
    ベース接地
    (差動増幅)
    Av=xxxxAi=xxxx Zi=xxxxZo=xxxx 
    ベース接地エミッタ接地   Av=xxxxAi=xxxx Zi=xxxxZo=xxxx 
    コレクタ接地   Av=xxxxAi=xxxx Zi=xxxxZo=xxxx 
    ベース接地   Av=xxxxAi=xxxx Zi=xxxxZo=xxxx 

  7. 電力増幅回路の解析(工事中)

  8. 直流増幅回路の解析(工事中)

  9. ミラー効果(工事中)

  10. カスコード回路の解析(工事中)

  11. hoeを考慮したモデルとアーリー電圧(工事中)


JH8CHUのホームページ>トランジスタ増幅回路の解析


Copyright (C)2006,2012,2014,2015, 2024, 2025 Masahiro.Matsuda(JH8CHU), all rights reserved.