JH8CHUのホームページ>
FETのデバイス実験
>ドレイン接地増幅回路の実験
ドレイン接地増幅回路の実験
本ページ作成(2024/05/03)
実験の目的
ドレイン接地増幅回路(ソースフォロワー)を動作させ、
回路の特徴であるインピーダンス変換作用について確認します。
実験課題
下記の項目について簡易測定を行い、設計値と測定値を比較します。
- 直流動作点
- 電圧増幅度
- 入力インピーダンス
- 出力インピーダンス
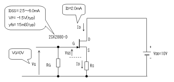
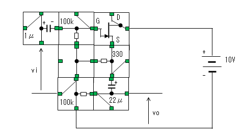
実験回路

回路の動作
FETのドレインを共通端子とした増幅回路です。
ドレインは直接VDDに接続しますが、
VDDは交流的にはグランド(GND)と同電位
なので、ドレイン接地(共通)回路となります。
出力はソースの抵抗RSの両端から取り出しますが
RSは同時に直流的な負帰還をかける動作もしています。
また、実は同時に交流負帰還もかかっています。
電圧増幅度は1倍未満となります。
実験回路の設計
まず、直流動作点を決めるために、バイアス回路の設計をします。
- 設計条件
(1)電源(VDD)は10[V]。
(2)FETは2SK2880のDランクを使う。(データシートよりIDSS=2.5〜6.0[mA])
設計にあたってはIDSS = 4.0[mA]で計算します。
(3)ドレイン電流(ID)はIDSSの1/2に設定する。
よってID = 2.0[mA]
(4)増幅する周波数帯域の最低周波数は50Hz
(5)入力側(信号源)の出力インピーダンスは600[Ω]
(6)出力側(負荷)の入力インピーダンスは1[MΩ]

- バイアス回路の設計
- RSの選定
設計条件(2)とすると、回路構成より、使用するFETのyfs
またはVPとIDSSが与えられると
自動的にRSの値も決まってしまいます。
今回使用するFETの2SK2880-Dでは、データシートより
Vp = -1.5[V](typ)、IDSS = 2.5〜6.0[mA]なので、
IDSS = 4.0[mA]として計算すると
RS ≒ 0.6 * |Vp/IDSS| = 0.6 * |-1.5/0.004|
= 225[Ω]
または、データシートよりyfs = 3.0[mS](typ)であることから
RS ≒ 1.2 / yfs = 1.2 / 0.003 = 400[Ω]
E6系列の
抵抗値から選んでRS=330[Ω]としました。
- RGの選定
ゲートの電位を0[V]にする目的の抵抗ですが、FETのゲート(G)には電流が
流れないので、バイアス回路の観点からは、自由に値を選ぶことが出来ます。
通常大きい方がウレシイことが多いですが、今回の実験ではノイズの影響が多少小さく
なるようにRG=100[kΩ]としました。
以上より決定した定数から、改めて各部の電圧を計算すると、
ID = (1/2) * IDSS = (1/2) * 0.004 = 0.002 = 2[mA]
VS = ID * RS = 0.002 * 330 = 0.66[V]
VDS = VDD - VS = 10.0 - 0.66 = 9.34[V]

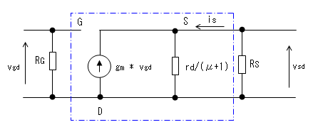
- 増幅回路の等価回路
増幅する周波数帯でコンデンサのリアクタンスが十分小さくなるように値を決めます。
ので、増幅回路の等価回路から2個のコンデンサCi、Co、を短絡した下図の
等価回路で考えます。FETは
ドレイン接地の等価回路に置き換え、
また、VDDとグランド(GND)も交流的には同電位なので接続してあります。

- 入力インピーダンスの計算
等価回路から入力インピーダンス(Zi)は
Zi = RG = 100[kΩ]
となります。
- 出力インピーダンスの計算
ドレイン接地増幅回路の出力インピーダンスは次の式で与えられます。
Zo = RS // {rd/(μ + 1)}
ここでデータシートよりrd=100[kΩ]であることから
(データシートでの記号は|yOS|=10[μS]。
rd = 1/|yOS|)
またgmの値は
gm ≒ 0.7 * yfs
の式から概算します。そうすると、データシートのyfsを使って
gm ≒ 0.7 * 3[mS] = 2.1[mS]
そうすると、
μ = gm * rd
= 2.1[mS] * 100[kΩ] = 210
従って
Zo = 330 // {100k / (210+1)} ≒ 330 // 474 ≒ 195[Ω]
となります。
- 増幅度の計算
増幅回路の電圧増幅度をAvとすれば次の式で与えられます。
Av = μ * R / {rd + (μ + 1) * R}
ここで、R = RS // RLです。
今回は、Rd >> 1/gm
の関係が成り立っているので
(∵ Rd = 100 [kΩ]、1/gm = 1/0.0021 ≒ 476[Ω])
この式は下記に近似出来ます。
Av = gm * R /( 1 + gm * R)
よって
R = RS // RL = 330[Ω] // 1[MΩ] ≒ 330[Ω]
なので
Av = 2.1[mS] * 330[Ω] /( 1 + 2.1[mS] * 330[Ω]) ≒ 0.41
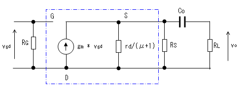
- コンデンサの容量の決定
(1)入力側カップリング・コンデンサ(Ci)
Ciは入力側の抵抗RGとローカット・フィルターを形成するので
カット・オフ周波数(fi)は次の式で与えられます。
fi = 1/(2π * Ci * RG)
信号の最低周波数をfslとすれば
fsl >> fi
となるようにCiを決定すればよいことになります。よって
fsl >> 1/(2π * Ci * RG)
∴Ci >> 1/(2π * fsl * RG)
入力信号の最低周波数(fsl)を50[Hz]とします。
Ci >> 1/(2π * 50 * 100[kΩ]) ≒ 0.032[μF]
となりかなり小さな値ですみます。今回はCi = 1[μF]としました。

(2)出力側カップリング・コンデンサ(Co)
Coを含んだ次の等価回路から計算します。

ここで、並列接続されたrd/(μ+1)とRsは出力インピーダンス
と同じものなので、
ひとつに纏めてZoとすると
Zo = {rd/(μ+1) * RS} /
{rd/(μ+1) + RS}
そうすると等価回路は
下図のように変形出来るのでローカットフィルタとなります。

カットオフ周波数は下記の式となります。
fo = 1/{2π * Co * (Zo + RL)}
信号の最低周波数をfslとすれば
fsl >> fo
となるようにCoを決定すればよいことになります。よって
fsl >> 1/{2π * Co * (Zo + RL)}
∴Co >> 1/{2π * fsl * (Zo + RL)}
まず、出力インピーダンスの項で計算した結果からZoは
Zo ≒ 195[Ω]
入力信号の最低周波数(fsl)を50[Hz]とします。
Co >> 1/{2π * 50 * (195[Ω] + 1[MΩ])} ≒ 0.032[μF]
となりかなり小さな値ですみます。
今回は手持ちのコンデンサーの関係でCo = 22[μF]としました。
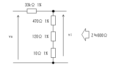
実験方法
信号源としては、トランス・ボックス
を使用します。
従って、周波数は(東日本では)50Hzになります。
トランス・ボックスの出力電圧がそのままでは電圧が高過ぎるので
分圧器により分圧し、117mV(rms)程度まで減衰させます。
このとき、増幅器からみたときの信号源のインピーダンスは600Ω程度となり
FET増幅回路の入力インピーダンスZiに比べると十分小さい値となります。

- 電子ブロックの配置

- 直流動作点の測定
ディジタルテスターの直流電圧測定レンジで、下図に示すようにVDS、VS、
VGS、VGを測定します。IDはVSとRSの値から
ID = VS/RSの式により求めます。
また、電源電圧VDDも正確に10.0[V]ではないので、測定しておきます。

- 電圧増幅度の測定
(1)下図の測定回路を組立てます。

(2)viの値を読みます。
(3)voの値を読みます。
(4)viの値とvoの値から電圧増幅度Av=vo/viを求めます。
- 入力インピーダンスの測定
増幅回路における入力インピーダンスの簡易測定法によります。
(1)下図の測定回路を組立てます。

(2)VRを0[Ω]の状態にしてvoの値を読み取ります。
この時のvoの読みをvo0とします。
(3)voの値が1/2*vo0となるようにVRを調整します。
(4)VRを回路から外し、テスターの抵抗レンジでVRの値を読み取ります。
この時のVRの値がZiとなります。
- 出力インピーダンスの測定
増幅回路における
出力インピーダンスの簡易測定法によります。
(1)下図の測定回路を組立てます。

(2)SWを開放の状態にしてvoの値を読み取ります。
この時のvoの読みをvo0とします。
(3)SWを閉じてからvoの値が(1/2)*vo0となるようにVRを調整します。
(4)VRを回路から外し、テスターの抵抗レンジでVRの値を読み取ります。
この時のVRの値がZoとなります。
なお、SWについては、実際は配線を取り外すことにより解放しました。
実験機材
- 自作電子ブロック
- トランス・ボックス
- 簡易安定化電源 (10[V]端子)
- ディジタル・テスター
- トランス・ボックス
- 分圧器
- 2kΩの可変抵抗器
- 1MΩの可変抵抗器
- 配線材
実験結果
- 直流動作点の測定
下図に測定結果を示します。
白色の吹き出しで計算値、黄色の吹き出しで測定値を表しました。

- 増幅度の測定
| viの値 [mV] | voの値 [V]
| Av (測定値) | Av (計算値)
| 測定値/計算値 (%) | 備考 |
| 117 | 54 | 0.46
| 0.41 | 12.2 | |
Av(測定値) = vo/vi
- 入力インピーダンスの測定
| VRの値 [kΩ] | voの値 [mV] | 備考 |
| 0 | 54 | voのこの値がvo0 |
| 79.8 | 27 | (vo=1/2 * vo0) |
以上の測定結果より、
Zi = 79.8[kΩ]
Ziの計算値と測定値を比較すると、
| Zi (計算値) [kΩ] | Zi (測定値) [kΩ]
| 測定値/計算値 (%) | 備考 |
| 100 | 79.8 | -20 | |
- 出力インピーダンスの測定
| VRの値 [Ω] | voの値 [mV] | 備考 |
| ∞ (SW:開放) | 54 | voのこの値がvo0 |
| 211 (SW:短絡) | 27 | (vo=1/2 * vo0) |
以上の測定結果より、
Zo = 211[Ω]
Zoの計算値と測定値を比較すると、
| Zo (計算値) [Ω] | Zo (測定値) [Ω]
| 測定値/計算値 (%) | 備考 |
| 195 | 211 | 8.2 | |
測定結果・考察
(1)直流動作点については、ドレイン電流のの実測値が設計値より30%ほど小さくなりました。
この結果、Vsも30%ほど小さくなりましたが、直流負帰還がかかっているので
問題にはならないと考えます。
(2)下記のいずれの項目も、設計値と測定値は20%以内の偏差となりました。
部品のバラつきを考えると偏差の発生は止むを得ないですが、
実用的には問題ない範囲と考えます。
- 電圧増幅度の測定
- 入力インピーダンスの測定
- 出力インピーダンスの測定
(3)ソース接地増幅回路の特徴である出力インピーダンスZoが低いことに関しては
ドレイン接地増幅回路ではZo=2[kΩ]でしたので、
1/10程度になりました。
ただし、バイポーラ・トランジスタのコレクタ接地
と比較すると、2桁ほど大きい値でした。
(4)電圧増幅度Avは1よりかなり小さい値となりました。
ソース抵抗であるRsが小さいためと考えます。
Avを1に近づけるためには(RS // RL)*gm>>1の関係が成立する
必要があります。そのためにはRSを今回の値より大きくしなければなりませんが
単純にRSを大きくすると、直流バイアス点がずれてしまいます。
よってゲートのバイアス電圧VGを0[V]からいくらか浮かすなど
バイアス回路の工夫が必要となりことが判りました。
今後の課題
- 周波数特性の測定
周波数特性は増幅回路の基本的な特性のひとつですが、今回の実験では
信号源として発振器ではなく、トランス・ボックスを使用する方針としたので
周波数特性の測定は断念しました。
- ひずみ率の測定
用途によってはひずみ率も重要な特性ですが、ひずみ率計が手元にないため
将来の課題としました。
参考文献
- なし
>関連項目
- 電子回路-
接合型FETのドレイン接地増幅回路
- 自作電子ブロック
- トランス・ボックス
- 簡易安定化電源 (10[V]端子)
- トランス・ボックス
- 分圧器
- 2kΩの可変抵抗器
JH8CHUのホームページ>
FETのデバイス実験>
ドレイン接地増幅回路の実験
Copyright (C)2024 Masahiro.Matsuda(JH8CHU), all rights reserved.