JH8CHUのホームページ>
トランジスタ・パルス回路の実験
>ダイオード・リミッター回路の実験
ダイオード・リミッター回路の実験
本ページ作成(2024/06/30)
実験の目的
ダイオードを使用したリミッター回路について原理を
理解するととにも、回路を組み立て、動作を確認します。
実験課題
ダイオードを用いたリミッターの回路を設計し、与えられた仕様の電圧レベルで
波形の振幅が制限されることを確認します。
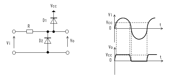
実験回路

回路の動作原理

- Vi<0のとき
ダイオードD2が導通し、Vo≒0となります。
ダイオードD1は逆方向バイアスのため遮断(OFF)状態です。
- Vi>Vccのとき
ダイオードD1が導通し、Vo≒Vccとなります。
ダイオードD2は逆方向バイアスのため遮断(OFF)状態です。
- 0≦Vi≦Vccのとき
ダイオードD1、D2ともに逆方向バイアスのため
遮断(OFF)状態になります。
このためVo = Viとなります。
より詳細な動作については、
ダイオード・リミッターの動作を参照してください。
実験回路の設計
- 設計仕様
(1)入力波形(Vi)は12[V](rms)の正弦波とする。
(2)リミット電圧は、上限:5[V]、下限:0[V]で振幅制限する。
(3)ダイオードの許容電流は5[mA]程度(?)で設計する。
想定される入力電圧Viの最大値が決まらないとRもDも選定出来ませんので
(1)としました。そうすると、Viの最大値は±12×√2 ≒ ±17.0[V]です。
- 抵抗Rの選定
Vi>0のとき、R両端の電圧の最大値は17.0 - 5.0 = 12.0[V]なので、
D1に流れる電流を5[mA]に制限するためには
R = 12.0 / 0.005 = 2400[Ω]
以上の抵抗が必要です。
一方、Vi<0のときR両端の電圧の最大値は0 - 17.0 = -17.0[V]なので、
D2に流れる電流を5[mA]に制限するためには
R = 17.0 / 0.005 = 3400[Ω]
となります。E-6系列から選定し
R = 3.3[kΩ]とします。
Rの最大消費電力P(max) = VR2 / R =
17.02 / 3300 ≒ 0.09[W]なので1/8[W]以上
の抵抗器ならOKです。今回は手持ちの1/4[W]タイプP型カーボン抵抗を使いました。
- ダイオードの選定
ダイオードは手持ちのBAT43を使いました。
今回の使用方法(要求仕様)とBAT43の仕様を比較したものが下記の表です。
結果として、とくに問題はありません。
| 項目
| 要求仕様
| BAT43の仕様
| 判定
| 備考
|
| 順方向電流(IF)
| 5[mA]
| 200[mA]
| OK
|
|
| 逆方向電圧
| 5[V]
| 30[V]
| OK
|
|
実験方法
(1)下図の実験回路を組立ます。

2本のダイオードはダイオードブリッジボックスを
使用しました。
(注:下図のD1〜D4と実験回路のD1〜D2)は
対応していません。
また、下図のD2、D4は本実験では導通することはありません)

(2)簡易安定化電源の電源を入れます。
(3)トランス・ボックスの電源を入れます。
(4)簡易安定化電源の電源の5[V]は正確ではないので直流電圧計、またはテスターなどで
測定します。
(5)ViとVoの波形を2chオシロスコープで観測します。
実験機材
- トランスボックス
- ダイオードブリッジボックス
- 簡易安定化電源 (5[V]端子)
- 抵抗器: 3.3[kΩ]
- オシロスコープ
- 直流電圧計(テスター)
実験結果
観測波形を以下となりました。
ch1(上): 交流入力(Vi)
ch2(下): 出力(Vo)

ch1: 10V/div
ch2: 2V/div
Vccは4.84[V]でした。
測定結果・考察
5[V]付近と0[V]付近で振幅制限されている波形が観測出来ました。
参考文献
とくになし。
関連項目
- 電子回路−ダイオード
- トランジスタ・パルス回路の解析−
ダイオード・リミッターの動作
-
リコン・ショットキバリア・ダイオード(SSD)の静特性の測定
- トランスボックス
- ダイオードブリッジボックス
- 簡易安定化電源 (5[V]端子)
JH8CHUのホームページ>
トランジスタ・パルス回路の実験>
ダイオード・リミッター回路の実験
Copyright (C)2024 Masahiro.Matsuda(JH8CHU), all rights reserved.