JH8CHUのホームページ>トランジスタ・パルス回路の実験
トランジスタ・パルス回路の実験
実験項目追加(2008/04/12)
実験項目見直し(2012/11/10)
ダイオード・リミッターの実験
について記載(2024/06/30)
参考文献をトランジスタ・パルス回路の解析のページに集約。(2025/05/26)
ダトランジスタ・スイッチとLEDの点灯/消灯制御実験
について記載(2025/07/07)
カレント・スイッチの実験を記載(2025/09/28)
シュミット・トリガーの実験を記載(2025/11/17)
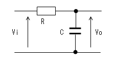
ダイオード・リミッターの実験
- 実験の目的
ダイオードを使用したリミッター回路について原理を
理解するととにも、回路を組み立て、動作を確認します。
- 実験課題
ダイオードを用いたリミッターの回路を設計し、与えられた仕様の電圧レベルで
波形の振幅が制限されることを確認します。
- 実験回路

- 実験の詳細はこちら(2024/06/30)。
トランジスタ・スイッチとLEDの点灯/消灯制御実験
- 実験の目的
トランジスタ・スイッチの入出力特性を測定し、その後発光ダイオード(LED)の点灯/消灯制御が
出来ることを確認してトランジスタ・スイッチの基本動作を理解します。
- 実験課題
- トランジスタ・スイッチの入出力伝達特性測定
- LEDの点灯/消灯制御
- 交流入力に対する応答波形の確認
- 実験回路
- トランジスタ・スイッチの入出力伝達特性測定

- LEDの点灯/消灯制御

- 交流入力に対する出力波形の確認

- 実験の詳細
実験の詳細はこちら。(2025/07/07)
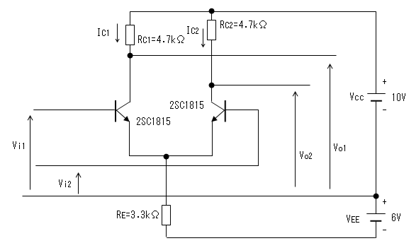
カレント・スイッチ
- 実験の目的
カレント・スイッチの実験回路を設計し、実際に回路を組み立て動作を確認します。
動作確認は、まずカレント・スイッチの入出力静特性を測定し、次に正弦波を入力して
出力波形を観察します。波形観測では参照電圧を変化させ、出力波形がどのように
変化するかも観察します。
- 実験課題
- 入出力静特性測定
Vi2を参照電圧とし0[V]に固定し、入力となるVi1の直流電圧を
変化させ、出力であるVo1とVo2の直流電圧を測定します。
- 波形確認
入力となるVi1に正弦波を入力し、参照電圧であるVi2
を変化させながら、出力であるVo1とVo2の波形を観測します。
- 実験回路

- 実験の詳細
実験の詳細はこちら。(2025/09/28)
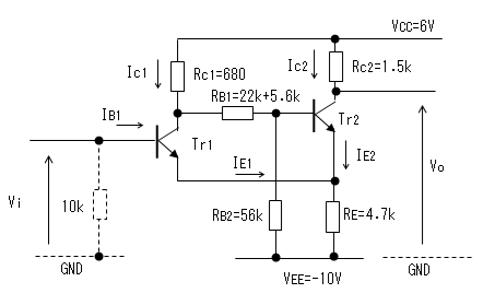
シュミット・トリガ
- 実験の目的
シュミット・トリガの実験回路を設計し、実際に回路を組み立て動作を確認します。
動作確認は、まずシュミット・トリガのふたつの安定点の直流レベルが設計通りか測定し、
次に正弦波を入力して出力波形を観察します。
- 実験課題
- 安定点における直流レベル測定
入力の直流レベルをHighレベルまたはLowレベルに固定し、それぞれにおける
シュミット・トリガ回路各部の電圧を測定して設計値と比較します。
- 波形確認
正弦波入力に対する出力波形を観測します。
- 実験回路

- 実験の詳細
実験の詳細はこちら。(2025/11/17)
CR微分回路・積分回路(工事中)
- 実験回路ブロック図

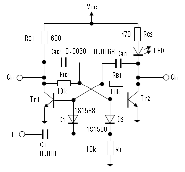
非安定マルチバイブレータ(工事中)
- 実験の目的
- 実験課題
(1)発振周波数
(2)発振電力・電圧
(3)電源電圧-発振周波数特性
- 回路図

- 実験の詳細(工事中)
- シミュレーション
- 関連項目
単安定マルチバイブレータ
双安定マルチバイブレータ
トランジスタ・インバーター(工事中)
- インバータの特性測定(1)<
- 実験の目的
バイポーラ・トランジスタにONとOFFの動作をさせることにより実現するもっとも簡単な
インバータ回路について設計と実験を行い、インバータの動作原理を確認するとともに
論理回路として用いる場合の問題点を考える。
- 実験課題
下記の項目について出力の波形観測を行い、リミッタ回路の動作を確認する。
- 実験回路

- 実験の詳細
実験の詳細はこちら(工事中)。
- インバータの特性測定(2)

- インバータの特性測定(3)

- インバータの特性測定(4)

- LEDの点灯回路
- 関連項目
ダイオードOR
ダイオードAND
DTL NAND(工事中)
- 実験の目的
- 実験課題
- 実験回路

- 実験の詳細
実験の詳細はこちら(工事中)。
オープンコレクタ出力
DTL RS−FF


DTL D−FF

DTL T−FF?
DTL 半加算器
DTL 全加算器?
DTL カウンタ?
ミラー積分
ブートストラップ
パルス・アンプ
- 実験回路ブロック図

インバータ(工事中)
- 実験回路ブロック図

- 関連項目
JH8CHUのホームページ>トランジスタ・パルス回路の実験
Copyright (C)2008, 2012, 2024, 2025 Masahiro.Matsuda(JH8CHU), all rights reserved.