



| コンデンサー の容量 |
時定数 | 備考 |
| 0.1[μF] | 4.7[ms] | |
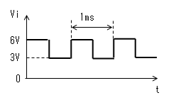
| 0.01[μF] | 0.47[ms] | ほぼパルス幅と同じ時定数 |
| 0.001[μF] | 0.047[ms] | |
| 100[pF] | 4.7[μs] |



| コンデンサー の容量 |
時定数 | 微分波形 | 積分波形 | 備考 |
| 0.1[μF] | 4.7[ms] | ![]() |
![]() |
(微分波形) 入力(Vi) と出力(Vo)は ほぼ同じ波形 (積分波形) 出力(Vo)はほぼ 入力(Vi)の平均 となる直流に近い |
| 0.01[μF] | 0.47[ms] | ![]() |
![]() |
ほぼパルス幅と 同じ時定数 |
| 0.001[μF] | 0.047[ms] | ![]() |
![]() |
|
| 100[pF] | 4.7[μs] | ![]() |
![]() |
(微分波形) 出力(Vo)の高さが 入力(Vi)より低い (積分波形) 出力(Vo)は 入力(Vi)とほぼ 同じ波形 |