JH8CHUのホームページ>
トランジスタ・パルス回路の実験
>シュミット・トリガの実験
シュミット・トリガの実験
本ページ作成。(2025/11/17)
実験の目的
シュミット・トリガの実験回路を設計し、実際に回路を組み立て動作を確認します。
動作確認は、まずシュミット・トリガのふたつの安定点の直流レベルが設計通りか測定し、
次に正弦波を入力して出力波形を観察します。
実験課題
下記の項目について測定を行い、設計値と測定値を比較します。
- 安定点における直流レベル測定
入力の直流レベルをHighレベルまたはLowレベルに固定し、それぞれにおける
シュミット・トリガ回路各部の電圧を測定して設計値と比較します。
- 波形確認
実験回路

回路の機能と動作
シュミット・トリガは入出力特性にヒステリシスを持たせた回路です。
ヒステリシスとはLowレベルからHighレベルに遷移する電圧レベル(Vh+)と
HighレベルからLowレベルに遷移する電圧レベル(Vh-)が異なることを言います。(Vh+ > Vh-)

シュミット・トリガを使うことにより、ゆっくり変化する入力信号の立上がり、立ち下がり
を早くしてノイズの影響を受けずらくすることが出来ますが、伝搬遅延時間が長くなるという
デメリットもあります。

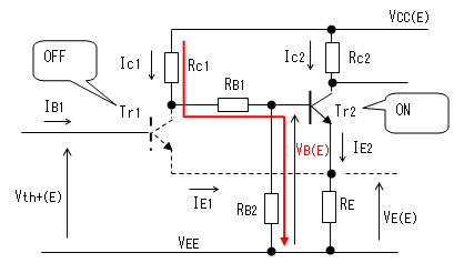
シュミット・トリガ回路の動作を以下の図に示します。
- 入力がLowからHighに遷移するとき
(トランジスタのON/OFFは遷移前の状態)

- 入力がHighからLowに遷移するとき
(トランジスタのON/OFFは遷移前の状態)

シュミット・トリガの詳細な動作は
こちらを参照してください。
実験回路の設計
与えられた設計条件により設計の手順は変わってくると思われます。
- 設計条件
(1)使用するトランジスターはTr1、Tr2とも2SC1815のYランク。
(2)電源電圧は+6[V]、-10[V]とします。
(4)項に示す通り、入力電圧がマイナスにも振れるので、電源も
プラス・マイナスの電源が必要です。
プラス側のみ電池を使うことにしました。
マイナス側電源を高くしたかったので安定化電源を10[V]としました。
(3)出力電圧の振幅: 3[V]程度

(4)入力電圧: 0[V]を中心とした振幅が2[Vp-p]の正弦波交流。
なお差動入力(Vi1とVi2の差)の電圧は大き過ぎるとトランジスタを
破損してしまう危険があります。大きな差動入力は
トランジスタのベース〜エミッタ間の最大逆方向電圧(VEBO)を超えて
しまうからです。詳細は
こちらを参照してください。
(5)入力電圧と出力電圧の関係
Vccは設計条件から6[V]に決めており、かつ出力電圧(Vo)のHighレベルは
Vccと等しくなるので、VoのHighレベルは6[V]となります。
出力電圧(Vo)のLowレベルは入力電圧(Vi)の最大値(今回は約1.0[V])より大きく
する必要があります。何故なら、VoのLowレベルがViの値を下回ると
トランジスタのコレクタ電圧がベース電圧を下回ることと同じなので、
トランジスタが飽和状態になるからです。
今回はVoの振幅を3[V]としたのでLowレベル= (Vcc - 3.0) = 3.0[V]になるよう設計します。
これはViの最大値1.0[V]より大きな値なのでトランジスタは飽和しません。

- 閾値電圧の設定
入力電圧が0[V]を中心とした振幅が2[Vp-p]の正弦波交流なので
閾値はVth+を0.5[V]、Vth-を−0.5[V]で設計します。
シュミット・トリガ回路の抵抗の定数が決まっていれば、
トランジスタ・パルス回路の解析−「シュミット・トリガの解析」
に記載したように、閾値がどのようになるかは計算可能です。
しかし、通常は、まず仕様として閾値が与えられ、そこから抵抗値を決定することに
なりますが、これはけっこう難しいように思われます。
- 設計の基準電圧
以下の設計においてはVEEを基準電圧、すちわち0[V]と考えて設計します。
混乱しそうなのでVEE基準の電圧を表すときは、添字に(E)をつけます。
そうすると
VEE(E) = 0[V]
VCC(E) = 16[V]
GND(E) = 10[V]
Vth+(E) = 10.5[V]
Vth-(E) = 9.5[V]
となります。

- REの選定
シュミット・トリガは一種の
カレント・スイッチなので、入力電圧(Vi)と
参照電圧(VB)を比較していると言えます。
そして、Tr2がOFF、Tr2がONのときは、参照電圧(VB)として
閾値(Vth+)の値を
設定します。このときのVB(E)はVCC(E)を抵抗RC1、
RB1、RB2で分圧するので、
次の式で決まります。
Vth+(E) = VB(E) =
RB2 / (RC1 + RB1 + RB2)
* VCC(E)

RC1、RB1、RB2はまだ決めていないのですが
閾値(Vth+(E))が仕様の10.5[V]となるように決めたとすれば
Tr2のエミッタ電圧(VE(E))は、
ベース電圧よりVBE ≒ 0.7[V]低い
VE(E) ≒ 9.8[V]となります。このとき、エミッタ電流IE2をとりあえず
2[mA]とすれば
RE = VE(E) / IE2 = 9.8[V] / 2[mA] = 4900[Ω]
となります。E6系列より選定し
RE = 4.7[kΩ]としました。
- RC2の選定
次段のインピーダンス(ZL)が決まっている場合はZLの1/10以下に
することを目安に決めるのも一案ですが、今回ZLは接続しないので
(つまり無限大)自由に決められます。
Tr2がONしたときのコレクタ電流IC2(≒IE2)
を2[mA]と決めたので、
Tr2を飽和させないためには、
VCC(E) / IC2 = 16[V] / 2[mA] = 8[kΩ]
となることから、RC2とREの合計は8[kΩ]未満にしなければ
なりません。
REは4.7[kΩ]と決めたので、RC1は
8[kΩ] - 4.7[kΩ] = 3.3[kΩ]未満にする必要があります。
一方、出力電圧(Vo)の振幅(ΔVo)は3[V]なので、
RC2 = ΔVo / IC2 = 3[V] / 2[mA] = 1500[Ω]
となります。E6系列より選定し
RE = 1.5[kΩ]としました。
この値は、3.3[kΩ]より小さいのでTr2は飽和することはありません。
なお、RC2を先に決めた場合は、IE2とREを調整する
ことになります。
(調整しきれないときは仕様を見直すことになるでしょう)(^^;
- RB2の選定
シュミット・トリガの閾値(Vth+(E))は下記の式で決まります。
Vth+(E) = VB(E) =
RB2 / (RC1 + RB1 + RB2)
* VCC(E)
この式は、トランジスタTr1がOFFの状態において、
VCC(E)を抵抗(RC1 + RB1)と抵抗RB2で
分圧して決まる
Tr2のベース電圧を意味しています。
分圧比の取り方は無数にありますが、現実にはTr2のベース電流に
影響されないよう、RB2に流すブリーダー電流を決めます。
そこで、まずTr2のベース電流IB2を計算します。
Tr2がONしたときのコレクタ電流IC2は2[mA]としましたが、
このときのベース電流IB2は、トランジスタのhFE(min)が
データシートより120なので
IB2 = IC2 / hFE(min) = 0.002 / 120 ≒ 16.7[μA]
となりますので、この値の10倍をブリーダー電流とします。そうすると
RC1 + RB1 + RB2 =
VCC(E) / (10 * IB2) = 16[V] / (10 * 16.7[μA]) ≒ 96[kΩ]
仕様よりVth+(E) = 10.5[V]であり、
Vth+(E) = {RB2 / (RC1 + RB1 + RB2)}
* VCC(E)
となればよいので、式を変形して値を代入すると
RB2 = Vth+(E) / VCC(E) *
(RC1 + RB1 + RB2)
= 10.5[V] / 16[V] * 96[kΩ] ≒ 63[kΩ]
少しずれますがE6系列から選定して
RB2 = 56[kΩ]としました。
このように決めると逆に閾値の式、
Vth+(E) = VB(E) =
RB2 / (RC1 + RB1 + RB2)
* VCC(E)
から、
RC1 + RB1 + RB2 =
RB2 / Vth+(E) * VCC(E) =
56[kΩ] / 10.5[V] * 16[V] ≒ 85[kΩ]
となります。
なお、RB2を流れるブリーダー電流は、トランジスタTr1がONの場合と、
OFFの場合では値が変わりますが、ONの場合の方がRC1での電圧降下が大きくなる
ため減ります。しかし、このときはTr2がOFFなので、ブリーダー電流の減少は
問題になりません。
- RC1の選定
- RB1の選定
ここまでで、(RC1 + RB1 + RB2)の値、
RC1、RB2の値を決めたので、最後に残った、
RB1の値が決まります。
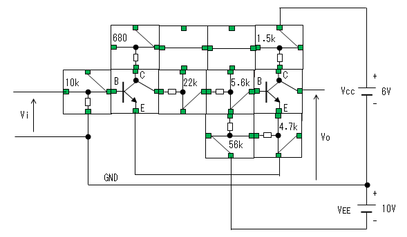
RB1 = (RC1 + RB1 + RB2)
- RC1 - RB2 = 85[kΩ] - 680[Ω] - 56[kΩ] = 28.32[kΩ]
この計算値をE6系列から選定すると
22[kΩ]か33[kΩ]となってしまいます。
RB1の値はある程度正確に決めないと、閾値の値が大きくずれてしまいます。
そこで、RB1を22[kΩ]と5.6[kΩ]の直列接続とし、27.6[kΩ]とする
ことにしました。この値で改めて閾値を計算すると
Vth+(E) ≒ 10.6[V]
Vth-(E) ≒ 9.76[V]
となり、仕様と0.1〜0.24[V]の誤差となりましたが、入力電圧が2[Vp-p]なので
動作に支障がないと判断し、この定数で実験することにしました。
- 安定点における直流電圧
以上で抵抗器の値が決定したので、改めてふたつの安定状態における各部の
電圧と電流を計算し直しました。
- Tr1がOFF、Tr2がONのとき
Tr1がOFFなのでエミッタ電流IE1は0です。
Tr2のベース電流を無視するとベース電圧(VB(E))は
VB(E) = RB2 / (RC1 + RB1 + RB2)
* VCC(E) = 56[kΩ] / (680[Ω] + 27.6[kΩ] + 56[kΩ]) * 16[V]
≒ 10.6[V]
また同様にTr1のコレクタ電圧(VC)は
VC(E) = (RB1 + RB2) /
(RC1 + RB1 + RB2)
* VCC(E) = (27.6[kΩ] + 56[kΩ]) / (680[Ω] + 27.6[kΩ] + 56[kΩ]) *
16[V]
≒ 15.9[V]
エミッタ電圧(VE(E))はVB(E)より約0.7[V]低いので
VE(E) = VB(E) - VBE2 ≒ 10.6 - 0.7 = 9.9[V]
Tr2のエミッタ電流(IE2)は
IE2 = VE(E) / RE = 9.9[V] / 4.7[kΩ] ≒ 2.1[mA]
IE2 ≒ IC2としたのでVoは
Vo(E) = VCC(E) - IC2 * RC2 =
16[V] - 2.1[mA] * 1.5[kΩ] ≒
12.9[V]
以上の計算結果をまとめると下図となります。

【注】各部の電圧は全てVEE基準。
なおRB2を流れるブリーダー電流は
VCC(E) / (RC1 + RB1 + RB2) =
16[V] / (680[Ω] + 27.6[kΩ] + 56[kΩ]) ≒ 190[μA]
- Tr1がON、Tr2がOFFのとき
Tr2がOFFなので、IC2 = IE2 = 0です。
負荷は接続しないので、RC2による電圧降下はないことから
Vo(E) = VCC(E) = 16[V]
また、Tr2がOFFのときVB(E)(≒Vth-(E))は9.76[V]です。
(RB1の選定の項参照。)
VE(E) = VB(E) - VBE2 ≒ 9.76 - 0.7 = 9.06[V]
Tr1のエミッタ電流(IE1)は
IE1 = VE(E) / RE = 9.06[V] / 4.7[kΩ] ≒ 1.93[mA]
一方、VB(E)は9.76[V]なのでTr1のコレクタ電圧(VC(E))は
VC(E) = (RB1 + RB2) / RB2 * VB(E) =
(27.6[kΩ] + 56[kΩ]) / 56[kΩ] * 9.76[V] ≒ 14.6[V]
Tr1のコレクタ電流(IC1)は
IC1 = (VCC(E) - VC(E)) / RC1 =
(16[V] - 14.6[V]) / 680 ≒ 2.06[mA]

【注】各部の電圧は全てVEE基準。
なおRB2を流れるブリーダー電流は
IC1 - IE1 = 2.06[mA] - 1.93[mA] ≒ 130[μA]
- Tr1のベース抵抗
Tr1のベースとGND間(つまりViと並列)に10[kΩ]を接続していますが、
発振器の出力が直流的に浮いているため、直流レベルを確定し、
かつトランジスタのベースに電流を流すことが目的なので、
今回の実験では必須です。
実験方法
- 電子ブロックの配置
電子ブロックで実験回路を下図のように組み立てます。

- 安定点における直流電圧測定
下図のように1.5[V]の電池をViに接続し各部の電圧・電流を測定します。
・-1.5[V]を入力(Tr1をOFF、Tr1をONの状態)

・+1.5[V]を入力(Tr1をON、Tr1をOFFの状態)

ディジタル・テスタを使い下図の箇所の電圧・電流を、
VEEを基準に測定します。

- 正弦波入力に対する出力波形の観察
波形観測の際の
信号源としては、低周波発振器を
使用します。周波数は1kHzとしました。
出力レベルは発振器で2[Vp-p]に調整します。
Viの値の設定には
テスターアダプタ+
アナログ直流電圧計
を使用し、
テスターアダプタはpeak to peakモードにしました。
(厳密に設定する必要はないので、オシロスコープでだいたいの
レベルに設定しても良いと思います。)

最後に入力電圧(Vi)のレベルを下げて、出力の矩形波が出なくなることを
確認します。
実験機材
- 電子ブロック
使用したブロックは、実験方法の
電子ブロックの配置を参照。
- 低周波発振器
- テスターアダプタ
- アナログ直流電圧計
- 簡易安定化電源 (10[V]端子)
- 乾電池:1.5[V]×4 (VCC用)
- 乾電池:1.5[V] (Vi設定用)
- ディジタル・テスター
- オシロスコープ
実験結果
- 安定点における直流電圧測定
・-1.5[V]を入力(Tr1をOFF、Tr1をONの状態)
白の吹き出しが計算値、黄色の吹き出しが実測値。

・+1.5[V]を入力(Tr1をON、Tr1をOFFの状態)
白の吹き出しが計算値、黄色の吹き出しが実測値。

- 波形観測

上:Vi、1V/div、0.5ms/div
下:Vo、2V/div、0.5ms/div
- 拡大観測
- 時間軸を10倍に拡大
スイング幅が違うが、参考写真と比較すると明らかにシュミット・トリガの方が
立上がり・立下がりが早い。

上:Vi、1V/div、50μs/div
下:vo、2V/div、50μs/div
- (参考)カレント・スイッチの波形
カレント・スイッチの実験より引用。

上:Vi、1V/div、50μs/div
下:Vo、5V/div、50μs/div
- 波形観測(入力(Vi)をしぼったとき)
入力を0.5[Vp-p]まで小さくすると出力が停止しました。
閾値のVth+とth-が対称でないので、何とも言えませんが
実際の閾値は計算値よりもやや小さな幅になると思われます。

上:Vi、1V/div、50μs/div
下:vo、2V/div、50μs/div
測定結果・考察
- 安定点における直流電圧測定
・+1.5[V]を入力(Tr1をON、Tr1をOFFの状態)
・-1.5[V]を入力(Tr1をOFF、Tr1をONの状態)
のいずれにおいても閾値(VB)がやや計算値より低いように見えますが、
VGND(E)が9.7[V]ですので、対グランドに対する閾値電圧は
Vth+ = 0.36[V]
Vth- = -0.40[V]
ですので、概ね設計値と実測値は近い値になったと考えます。
RB2を流れるブリーダー電流が小さく見えるのはVccとVCの
電圧差が小さいので有効数字の関係で誤差が大きくなったようです。
RC1の両端の電圧を直接測定すれば、もっと誤差を小さく出来たと思います。
- 波形観測
- 正弦波から矩形波への変換
変換は問題なく動作しました。
正確な観測ではありませんが、閾値の幅(Vth+ − Vth-)は
計算値より
やや小さくなるようでした。
これは、カレント・スイッチでもそうでしたが、正確に閾値になったとき
出力が反転するのではなく、閾値に近づいたときシュミット・トリガが
反転するからだと思われます。
- 立上がり、立ち下がり時間
測定結果に記載したように、カレント・スイッチよりシュミット・トリガの方が
立上がり・立下がりが早いことが確認出来ました。
今後の課題
- 応用
今後開発予定のパルス発生器(トランジスタで実現)において、外部信号の入力部に
シュミット・トリガ回路を使用することを検討しています。
参考文献
- 2SC1815データシート
- パルス回路の設計(昭和56年(1981) 第20版(改訂10版)) P-76〜81 シュミット・トリガ、猪飼國夫著、
CQ出版社
この文献の例題2.11はよく判らなかったです。(-_-?
- CQ出版社、CQ connect−シュミット・トリガの2つのしきい値
https://cc.cqpub.co.jp/system/contents/3352/
関連項目
- トランジスタ・パルス回路の解析−
シュミット・トリガ回路の解析
- トランジスタ・パルス回路の解析−
カレント・スイッチ
- 抵抗器に関する情報−E6系列
- 自作電子ブロック
- 低周波発振器
- 簡易安定化電源
- テスターアダプタ
- アナログ直流電圧計
JH8CHUのホームページ>
トランジスタ・パルス回路の実験>
シュミット・トリガの実験
Copyright (C)2025 Masahiro.Matsuda(JH8CHU), all rights reserved.