JH8CHUのホームページ>
トランジスタ・パルス回路の解析
>シュミット・トリガの解析
シュミット・トリガの解析
本ページ作成。(2025/11/07)
回路の機能
パルス回路(あるいはディジタル回路)において、HighレベルとLowレベルとの間を
遷移する信号(二値信号)を扱う場合、出力のレベルが反転する入力レベルが特定の閾値ではなく
ヒステリシスを持たせた回路をシュミット・トリガと呼びます。
ヒステリシスとはLowレベルからHighレベルに遷移する電圧レベル(Vth+)と
HighレベルからLowレベルに遷移する電圧レベル(Vth-)が異なることを言います。
(Vth+ > Vth-)
また、シュミット・トリガはヒステリシスを持つだけでなく、入力信号の変化が遅くでも、
出力は正帰還により急激に変化します。
|
カレント・スイッチなど |
シュミット・トリガ |
| 入出力波形 |
 |
 |
| 入出力静特性 |
 |
 |
(注)波形の図において回路での遅延はないものとして描いています。
シュミット・トリガは何がうれしいのかを以下で説明します。
二値回路の利点のひとつはノイズに強いことです。
これは下図の最初のノイズが閾値より小さいために出力にはノイズが
認識されない様子を表しています。
ところが、入力がゆっくり変化すると、カレント・スイッチなどでは閾値付近で
最初と同じ大きさのノイズが乗ると、閾値を超えてしまい誤動作となります。

上記のように信号が遷移する時間がゆっくりであると、ノイズの影響を
受けやすくなります。そこで入出力特性にヒステリシスを持たせます。
例えば、入力がLowからHighに遷移するとき、Vh+を超えると正帰還がかかり
出力は一気にHighレベルになります。このとき同時に閾値がVh-に下がるので
ノイズの大きさが(Vh+ − Vh-)以内の大きさなら出力として認識されません。

シュミット・トリガを使うとノイズに強くなりますが、信号の伝搬遅延時間が
大きくなるので、むやみやたらに使う訳にはいきません。

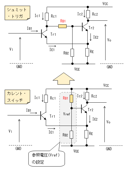
回路図
回路の動作原理
シュミット・トリガはカレント・スイッチ
の変形と見ることが出来ます。
(シュミット・トリガは安定点がふたつあるので、フリップ・フロップの
変形であると説明している文献が多いですが、個人的にはカレント・スイッチの
変形の方が判り易いので、文献1の説明に従い、
ここではカレント・スイッチの
変形としました。)
カレント・スイッチの場合、トランジスタTr2の参照電圧(Vref)
は電源電圧(Vcc − VEE)を
RB1とRB2で分圧した固定電圧となるので、この参照電圧を境目に
出力が変化しますが
入力電圧(Vi)の変化(立上り、立下り)が遅いと出力の変化も遅くなってしまいます。
ところが、RB1をトランジスタTr1のコレクタに接続すると正帰還がかかり
出力の変化が早くなると同時にヒステリシス特性を持つようになります。

この動作を順を追って見ていきます。
なお、以下ではIC1≒IE1、IC2≒IE2と考えます
(∵ hFE >> 1)。
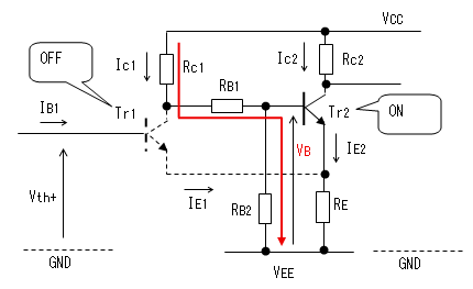
まず最初、入力(Vi)がLowレベルだったとします。
そうすると、Tr1のベース電圧がTr2のベース電圧より低いので
Tr1は遮断状態(OFF)となります。(カレント・スイッチと同様、ViとVBを
比較しています。詳細はカレント・スイッチの解析
を参照してください。)
その結果、Tr1のコレクタ電圧は上昇し、
Tr2のベース電圧が上昇するので、Tr2は能動状態(ON)となります。
Tr2は能動状態となりコレクタ電流(IC2)が流れるので出力(Vo)は
Lowレベルとなります。
こうしてTr1は遮断状態、Tr2は能動状態で安定します。
なお、このときTr2のベース電圧(VB)はVth+です。
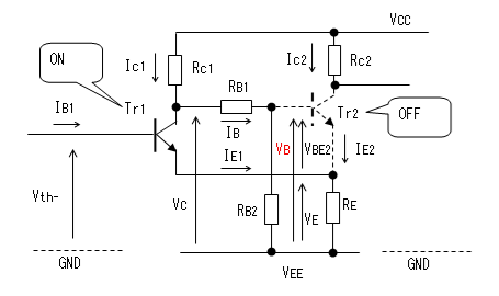
この後、入力レベルが徐々に上昇しVth+に近づいたとします。

(1)VBE1が上昇し、Tr1のベース電流IB1が増加します。
(2)IB1の増加によりTr1のコレクタ電流IC1が増加します。
(3)Ic1が増加すると、抵抗RC1の電圧降下により、
Tr1のコレクタ電圧が低下します。
(4)Tr1のコレクタ電圧が低下すると、RB1経由で
Tr2のベース電圧(VB)が低下します。
(5)VBの低下により、VBE2が低下するので、
Tr2のベース電流IB2が減少します。
(6)Tr2のコレクタ電流IC2(≒IE2)が減少します。
(7)IE2の減少により抵抗REの電圧降下が小さくなり電圧VEが
低下します。
同時に、IC2の減少により抵抗RC2の電圧降下が小さくなり
出力電圧Voが上昇します。
(8)電圧VEの低下はTr1のVBE1を上昇させます。
そうすると(1)に戻るので、(1)から(8)が正帰還でぐるぐるまわって出力(Vo)が一気に
Highレベルになると同時に、Tr2のベース電圧(VB)が低下するので
閾値がVth-に下がります。
そして、Tr1は能動状態(ON)、Tr2は遮断状態(OFF)となり安定します。
閾値はVth-まで低下するので、一度入力電圧(Vi)がVth+に達して
上記の遷移動作が起きると、今度は入力電圧(Vi)がVth-まで低下しないと
この安定状態が継続し、出力は反転しません。
次に、入力(Vi)がHighレベルでTr1は能動状態(ON)、Tr2は遮断状態(OFF)の状態から
入力電圧(Vi)が低下し閾値(Vh-)に近づくと、今度も正帰還がかかり、
Tr1は遮断状態(OFF)、Tr2は能動状態(ON)に遷移し安定します。
出力は一気にLowレベルに下がると同時に閾値はVth+に上昇します。
この時の動作は説明文を省略し図のみ記載します。

説明を簡単にするためにVEE = GNDとします。
入力電圧ViがVth+に達するまで、トランジスタTr1はOFF、Tr2はONです。
Tr2のベース電流が小さいと仮定すると、ベース電圧VBは下図のように
RC1→RB1→RB2の抵抗を流れる電流で分圧された値で決まります。

ViはVBに(ほぼ)等しくなったときベース電流IB1が流れ始めます。
よって、そのときのViが閾値(Vth+)となるので、
Vth+ = VB =
RB2 / (RC1 + RB1 + RB2)
* VCC
閾値の計算(Vth-)
説明を簡単にするためにVEE = GNDとします。
入力電圧ViがVth-に低下するまで、トランジスタTr1はON、Tr2
はOFFです。
この場合のVBの計算はやや面倒です。

トランジスタTr2のベース〜エミッタ間電圧をVBE2、抵抗REの両端の
電圧をVEとすれば
VB = VBE2 + VE ・・・・・・・ (1)
また、トランジスタTr1のコレクタ電圧をVCとすれば
VBはVCを抵抗RB1とRB2で分圧したものなので
VB = RB2 / (RB1 + RB2) * VC
・・・・・・・ (2)
(1)と(2)のVBは等しいので
VBE2 + VE =
RB2 / (RB1 + RB2) * VC
∴ VC = (RB1 + RB2) / RB2 *
(VBE2 + VE) ・・・・・・・ (3)
一方、トランジスタの電流増幅率hFEは1より大きいので、コレクタ電流とエミッタ電流は
等しいとします。そうすると、抵抗RC1を流れる電流(IC1)は抵抗RB1を
流れる電流(IB)とトランジスタTr1のエミッタ電流(IE1)
との合計になるので
VE = IE1 * RE = (IC1 - IB) * RE
・・・・・・・ (4)
ここで、
IC1 = (Vcc - Vc) / RC1 ・・・・・・・ (5)
IB = Vc / (RB1 + RB2) ・・・・・・・ (6)
と表せるので、(5)と(6)を(4)に代入すると
VE = {(Vcc - Vc) / RC1 - Vc / (RB1 + RB2)}
* RE
= {Vcc / RC1 - Vc / RC1 - Vc / (RB1 + RB2)}
* RE
= [Vcc / RC1 - {(RB1 + RB2) + RC1} /
{RC1 * (RB1 + RB2)} * VC]
* RE
= [Vcc / RC1 - (RB1 + RB2 + RC1) /
{RC1 * (RB1 + RB2)} * VC]
* RE
= Vcc / RC1 * RE - (RB1 + RB2 + RC1) *
RE / {RC1 * (RB1 + RB2)} * VC
・・・・・ (7)
(3)のVEに(7)を代入すると
VC = (RB1 + RB2) / RB2 *
[VBE2 + Vcc / RC1 * RE -
(RB1 + RB2 + RC1) *
RE / {RC1 * (RB1 + RB2)} * VC]
= (RB1 + RB2) / RB2 *
(VBE2 + Vcc / RC1 * RE) -
(RB1 + RB2 + RC1) *
RE / (RB2 * RC1) * VC
右辺の第2項を左辺に移項してVcをくくり出すと
{1 + (RB1 + RB2 + RC1) *
RE / (RB2 * RC1)} * VC =
(RB1 + RB2) / RB2 *
(VBE2 + Vcc / RC1 * RE)
{RB2 * RC1 + (RB1 + RB2 + RC1) *
RE} / (RB2 * RC1) * VC =
(RB1 + RB2) / RB2 *
(VBE2 + Vcc / RC1 * RE)
右辺を整理します。
{RB2 * RC1 + (RB1 + RB2 + RC1) *
RE} / (RB2 * RC1) * VC =
(RB1 + RB2) * (VBE2 * RC1 +
Vcc * RE) / (RB2 * RC1)
左辺と右辺の分母が等しくなったので(RB2 * RC1)をかけて消します。
{RB2 * RC1 + (RB1 + RB2 + RC1) *
RE} * VC =
(RB1 + RB2) * (VBE2 * RC1 +
Vcc * RE)
∴ VC = (RB1 + RB2) * (VBE2 * RC1 +
Vcc * RE) / {RB2 * RC1 + (RB1 +
RB2 + RC1) * RE}
・・・・・ (8)
(2)に(8)を代入するとVBすなわちVth-が求まります。
(RB1 + RB2)は約分できるので
Vth- = VB =
RB2 * (VBE2 * RC1 +
Vcc * RE) / {RB2 * RC1 + (RB1 +
RB2 + RC1) * RE}
・・・・・ (9)
ああ、疲れた(-_-;;
今後の課題
- シュミット・トリガ回路の設計
回路定数(抵抗値)が与えられると、上記の式により、Vth+とVth-が
計算出来る
のですが、回路設計にあたっては、まずVth+とVth-が仕様として与えられ
そこから回路定数(抵抗値)を決めていくことになります。
その手順例については、
トランジスタ・パルス回路の実験に記載予定です。
- スピードアップ・コンデンサー
ディスクリートのシュミット・トリガ回路ではRB1と並列に
スピードアップ・コンデンサー(Cs)を接続するのが一般的です。
本項では、シュミット・トリガ回路の動作の理解に直接は必要ないことから、
スピードアップ・コンデンサーは別途検討することとし、ここでは省略しました。

参考文献
- パルス回路の設計(昭和56年(1981) 第20版(改訂10版))
P-76〜81 シュミット・トリガ、猪飼國夫著、CQ出版社
この文献の例題2.11はよく判らなかったです。(-_-?
- CQ出版社、CQ connect−シュミット・トリガの2つのしきい値
https://cc.cqpub.co.jp/system/contents/3352/
- パルスとディジタル回路(1985 第3版第1刷) P-62〜65 シュミットトリガ回路、
小柴典居著、オーム社
- ディジタル回路(1988 第1版) P-194〜196 シュミットトリガ、川又晃著、オーム社
- バルス・ディジタル回路(2001 初版) P-176〜181
バイポーラトランジスタによるシュミットトリガー回路、
鈴木八十二/吉田正廣著、日刊工業新聞社
この文献の(8-18)式もよく判らなかったです。(-_-?
関連項目
- トランジスタ増幅回路の解析−
差動増幅回路の解析
- トランジスタ・パルス回路の解析−
カレント・スイッチ
JH8CHUのホームページ>
トランジスタ・パルス回路の解析>
シュミット・トリガの解析
Copyright (C)2025 Masahiro.Matsuda(JH8CHU), all rights reserved.