





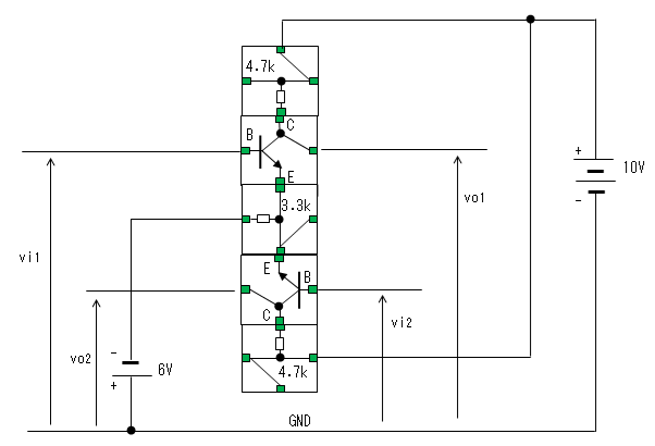
| Vi1入力 電圧 |
Vi2入力 電圧[V] |
出力(Vo1波形) | 出力(Vo2波形) | 備考 |
| 2[Vp-p] (正弦波) |
-1.5 |
![]() |
![]() |
Vo1はLowレベル だが、3Vp-p程度の 正弦波が漏れている |
| -1.0 |
![]() |
![]() |
||
| -0.5 |
![]() |
![]() 写真傾いてしまった(-_-; |
||
| 0.0 |
![]() |
![]() |
Vo2の時間軸 拡大波形は表の下 |
|
| +0.5 |
![]() 少しピンボケ(-_-; |
![]() |
||
| +1.0 |
![]() |
![]() |
||
| +1.34 |
![]() |
![]() |

