JH8CHUのホームページ>バイポーラ・トランジスタのデバイス実験
バイポーラ・トランジスタのデバイス実験
本ページ開設。(2006/06/03)
静特性の測定回路追記。(2006/06/17)
ベース接地増幅回路の実験回路追記。(2006/09/21)
エミッタ接地回路の静特性の測定について記載。(2015/02/28)
タイトル変更。エミッタ接地増幅回路をトランジスタ増幅回路から移動。(2015/03/23)
エミッタ接地増幅回路(交流負帰還あり)の実験について記載(2015/04/06)
エミッタ・フォロワーの実験について記載(2015/04/25)
目次追加。(2024/09/19)
エミッタ接地の静特性測定(直流電位差計による)を追加。(2024/09/19)
定電流回路(1石構成)を追加。(2026/03/31)
定電流回路(2石構成)を追加。(2026/04/10)
- 目次
- エミッタ接地回路の静特性測定(ディジタル・テスターによる)
- エミッタ接地増幅回路(交流負帰還なし)
(ディジタル・テスターによる)
- エミッタ接地増幅回路(交流負帰還有り)
(ディジタル・テスターによる)
- コレクタ接地(エミッタフォロワー)
- 定電流回路(1石構成)
- 定電流回路(2石構成)
- エミッタ接地の静特性測定(直流電位差計による)
- エミッタ接地増幅回路(交流負帰還なし)
(テスター・アダプターによる)【工事中】
- 実験の目的
バイポーラ・トランジスタのエミッタ接地回路の静特性を測定することで
バイポーラ・トランジスタの動作を確認するとともに、小信号等価回路の
パラメータについて考察します。
- 実験課題
下記の項目について静特性の測定を行い、測定結果から等価回路のhパラメータを
求めます。
- IB-IC特性
- VBE-IB特性
- VCE-IC特性
- 実験回路
- IB-IC特性、IB-VB特性

- IC-VC特性

- 実験の詳細
- 実験の目的
最も簡単な増幅回路であるトランジスタ一石からなるエミッタ接地増幅回路の
実験を通じて、トランジスタによる電圧増幅作用を確認します。
実験にあたっては、小信号増幅を前提として、トランジスタを線形な素子として
近似して解析します。そして、この方法で求めた回路の増幅度と
入出力インピーダンスが、実験から得られた測定値と一致することを確認し、
回路設計の際に定量的な議論が出来るようにします。
- 実験課題
下記の項目について測定を行い、設計値と測定値を比較します。
(1)直流動作点
(2)増幅度
(3)入力インピーダンス
(4)出力インピーダンス
- 実験回路

- 実験の詳細
実験の詳細はこちら。(2015/03/21)(2024/09/28改)
- 実験の目的
電流帰還バイアスをかけたトランジスタ増幅器において、エミッタ抵抗(RE)に
並列に接続するバイパス・コンデンサを無くすと、交流的に負帰還をかける
ことが出来ます。ここでは、負帰還の量を変化させることにより、
増幅回路の入力インピーダンス、出力インピーダンス、増幅度が
どのように変化するか理論と実験で確認します。
- 実験課題
下記の項目について簡易測定を行い、設計値と測定値を比較する
- 増幅度
- 入力インピーダンス
- 出力インピーダンス
- 実験回路

- 実験の詳細
実験の詳細はこちら。(2015/04/06)(2024/09/28改)
- 実験の目的
コレクタ接地増幅回路(エミッターフォロワー)を動作させ、
回路の特徴であるインピーダンス変換作用について確認します。
- 実験課題
下記の項目について簡易測定を行い、設計値と測定値を比較します。
- 直流動作点
- 電圧増幅度
- 入力インピーダンス
- 出力インピーダンス
- 実験回路

- 実験の詳細
実験の詳細はこちら。(2015/04/25)(2024/10/01改)
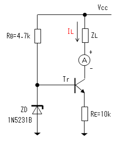
- 実験の目的
トランジスタ一石による定電流源を設計し、実際に動作させて定電流源としての
特性を測定します。
動作確認は、負荷抵抗を変化させた場合と電源電圧を変化させた場合について
実験を行います。
- 実験課題
下記の項目について測定を行います。
- 負荷を変化させた場合の特性
- 電源電圧を変化させた場合の特性
- 実験回路

- 実験の詳細
実験の詳細はこちら。(2026/03/31)
- 実験の目的
トランジスタ2石による定電流源を設計し、実際に動作させて定電流源としての
特性を測定します。
動作確認は、負荷抵抗を変化させた場合と電源電圧を変化させた場合について
実験を行います。
- 実験課題
下記の項目について測定を行います。
- 負荷を変化させた場合の特性
- 電源電圧を変化させた場合の特性
- 実験回路

- 実験の詳細
実験の詳細はこちら。(2026/04/10)
- 実験の目的
バイポーラ・トランジスタのエミッタ接地回路の静特性を測定することで
バイポーラ・トランジスタの動作を確認するとともに、小信号等価回路の
パラメータについて考察します。
- 実験課題
下記の項目について静特性の測定を行い、測定結果から等価回路の
hパラメータ(hfe、hie)を求めます。
- IB-IC特性
- VBE-IB特性
- VCE-IC特性
- 実験回路
- IB-IC特性、IB-VB特性

- IC-VC特性

- 実験の詳細
- 実験の目的
最も簡単な増幅回路であるトランジスタ一石からなるエミッタ接地増幅回路の
実験を通じて、トランジスタによる電圧増幅作用を確認します。
実験にあたっては、小信号増幅を前提として、トランジスタを線形な素子として
近似して解析します。そして、この方法で求めた回路の増幅度と
入出力インピーダンスが、実験から得られた測定値と一致することを確認し、
回路設計の際に定量的な議論が出来るようにします。
- 実験課題
下記の項目について測定を行い、設計値と測定値を比較します。
(1)直流動作点
(2)増幅度
(3)入力インピーダンス
(4)出力インピーダンス
- 実験回路

- 実験の詳細
実験の詳細はこちら。(工事中)
ベース接地回路の静特性の測定(工事中)
工事中
ベース接地増幅回路(工事中)
- 実験回路

- 直流回路解析
- 交流特性解析
- 実験項目
- シミュレーション
JH8CHUのホームページ>バイポーラ・トランジスタのデバイス実験
Copyright (C)2006, 2015, 2024, 2026 Masahiro.Matsuda(JH8CHU), all rights reserved.