JH8CHUのホームページ>
バイポーラ・トランジスタのデバイス実験
>定電流回路(2石構成)の実験
定電流回路(2石構成)の実験
本ページ作成(2026/04/10)
実験の目的
トランジスタ2石による定電流回路を設計し、実際に動作させて定電流回路としての
特性を測定します。
動作確認は、負荷抵抗を変化させた場合と電源電圧を変化させた場合について
実験を行います。
実験課題
下記の項目について測定を行います。
- 負荷を変化させた場合の特性
- 電源電圧を変化させた場合の特性
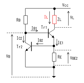
実験回路
回路の動作

抵抗RB経由でトランジスタTr1はベース電流IB1が
流れるため能動状態となります。そのため、負荷電流ILがTr1の
コレクタとエミッタを経由して抵抗REに流れます。
RE両端の電圧VBE2によりトランジスタTr2が能動状態と
なり、コレクタ電流IC2が流れます。
負荷電流(IL≒IE1)が増加したときは
IE1増加 → VBE2増加 → IB2増加 → IC2増加
→ IB1減少 → IE1減少
と変化し、最初のIE1の増加が最後は減少になって変化を打消し、
ILを一定に保ちます。
以上の変化を図にすると下図になります。

トランジスタのベース〜エミッタ間電圧(VBE2)がほぼ一定なので、
負荷抵抗(ZL)に流れる電流(IL)は下記の式となり、定電流となります。
IL = VBE2 / RE
2石定電流回路に関する詳細は電子回路の
定電流回路(2石構成)を参照してください。
実験回路の設計
- 設計条件
(1)電源電圧(Vcc):
負荷変動の試験ではVcc=10[V]とします。
電源電圧変動試験ではVcc= 5[V]〜15[V]とします。
(2)トランジスタ:2SC1815-Y(データシートよりhFE=120〜240)
(3)負荷抵抗に流す定電流:IL ≒ 0.5mA
(4)トランジスタTr2のコレクタ電流(IC2):0.1 [mA]
トランジスタのコレクタ電流(=IC=IL)は0.5[mA]でした。
トランジスタのhFE(min)は120なので、ベース電流(IB)は
IB = IC / hFE(min) = 0.5[mA] / 120 ≒ 4.2[μA]
IC2はベース電流(4.2[μA])より十分大きい値です。

- 抵抗(RE)の選定
hFEが1より十分大きいので、IL≒IE1が
成り立ちます。よってIE1 ≒ 0.5[mA]です。
また、トランジスタTr2が能動状態となるためのベース〜エミッタ間
電圧(VBE2)を0.65[V]とすれば
RE = VBE2 / IL = 0.65[V]) / 0.5[mA] = 1300[Ω]
E6系列より選定し
RE = 1.5[kΩ]としました。
このときのILは、
IL = VBE2 / RE = 0.65[V] / 1.5[kΩ] = 0.43[mA]
です。
- 抵抗(RB)の選定
トランジスタのベース〜エミッタ間を0.65[V]とすれば
トランジスタTr1のベースのグランドからの電圧VBは
VB = 0.65[V] + 0.65[V] = 1.3[V]
です。また、IB1 ≪ IC2が成り立つので、
抵抗RBの電流はほぼIC2です。よって、
RB = (Vcc - VB) / IC2 = (10 - 1.3)[V] / 0.1[mA]
= 87[kΩ]
E6系列より選定し
RE = 100[kΩ]としました。
この定数で改めてIC2を計算すると、
IC2 = (Vcc - VB) / RB = (10 - 1.3)[V] / 100[kΩ] =
0.087[mA]
となります。
- ZLの最大値
ILが一定なので、ZLを大きくしていくと、それに比例して
VLが大きくなっていきます。しかし、トランジスタのエミッタ電圧(VBE2)
は一定なので、VLは(Vcc - VBE2)より大きくなることは出来ません。
これが本回路が定電流動作出来る限界となります。具体的には
ZL(max) = (Vcc - VBE2) / IL = (10 - 0.65[V]) / 0.43[mA]
≒ 21.7[kΩ]
これは理想的な最大値なので実際にはこの値よりやや小さくなるでしょう。
実験方法
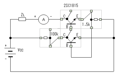
- 電子ブロックの配置

- 負荷を変化させた場合の特性の測定
電源電圧(Vcc)は10[V]で固定します。
負荷抵抗(ZL)を下記の値で変化させ、電流計の読みを測定します。
33[kΩ]、22[kΩ]、10[kΩ]、3.3[kΩ]、1[kΩ]、300[Ω]、100[Ω]、47[Ω]、10[Ω]、0[Ω](短絡)
(手元部品の関係で、定数の間隔に少しバラツキがあります。)(^^;
- 電源電圧を変化させた場合の特性の測定
負荷抵抗(ZL)は100[Ω]で固定します。
電源電圧(Vcc)を下記のように変化させ、電流計の読みを測定します。
| Vcc[V] |
簡易安定化電源 端子[V] |
乾電池個数 |
備考 |
| 5 |
5 |
0 |
|
| 6.5 |
5 |
1 |
|
| 8.0 |
5 |
2 |
|
| 10 |
10 |
0 |
|
| 11.5 |
10 |
1 |
|
| 13 |
10 |
2 |
|
| 15 |
15 |
0 |
|
実験機材
- 電子ブロック
- 負荷用固定抵抗器(ZL)
33[kΩ]、22[kΩ]、10[kΩ]、3.3[kΩ]、1[kΩ]、300[Ω]、100[Ω]、47[Ω]、10[Ω]
(全て1/4[W])
- 簡易安定化電源
- ディジタル・テスター(電流計)
- 乾電池×2個、電池ホルダー
実験結果
- 負荷(ZL)を変化させた場合の特性の測定

- 電源電圧(Vcc)を変化させた場合の特性の測定

考察
- 負荷(ZL)を変化させた場合の特性
負荷抵抗(ZL)を変化させた場合、良好な定電流特性を示しました。
定電流動作時の電流の値は0.40[mA]となり、設計値の0.43[mA]よりやや小さいですが
概ね設計通りになったと考えます。定電流となる負荷の最大値(ZL(max))は実測で
は20[kΩ]あたりであり、予想通り理論的な計算値:21.7[kΩ]よりやや小さめでした。
- 電源電圧(Vcc)を変化させた場合の特性
直線性のよい8〜13[V]で計算すると変化率は1.2[μA/V]となりました。
この値は1石構成の定電流回路より良好な値です。
負帰還構成の回路だからかもしれません。トランジスタを2個使用する分、
高性能と思われますが、要求仕様を勘案し、むやみやたらと2石構成にする
必要はないでしょう。
今後の課題
課題はとくにありません。
参考文献
- 2SC1815データシート
関連項目
- 電子回路−定電流回路(2石構成)
- 電子回路−定電流回路(1石構成)
- 設計情報−抵抗器−E系列
- 安定化電源の製作−簡易安定化電源
- 自作電子ブロック
JH8CHUのホームページ>
バイポーラ・トランジスタのデバイス実験>
定電流回路(2石構成)の実験
Copyright (C)2026 Masahiro.Matsuda(JH8CHU), all rights reserved.