







| vi1入力 電圧 |
vi2入力 電圧 |
出力(vo1)波形 | 出力(vo2波形) | 備考 |
| 20[mV] | 0[mV] |
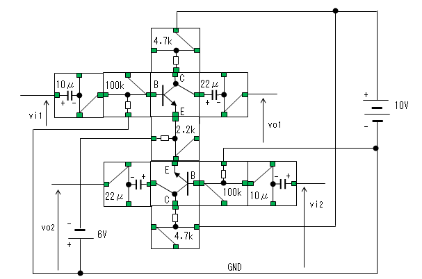
![]() 上:vi1、5mV/div、0.5ms/div 下:vo1、1V/div、0.5ms/div |
![]() 上:vi1、5mV/div、0.5ms/div 下:vo2、1V/div、0.5ms/div |
|
| 0[mV] | 20[mV] |
![]() 上:vi2、5mV/div、0.5ms/div 下:vo1、1V/div、0.5ms/div |
![]() 上:vi2、5mV/div、0.5ms/div 下:vo2、1V/div、0.5ms/div |
|
| 20[mV] | 20[mV] |
![]() 上:vi1、50mV/div、0.5ms/div 下:vo1、50mV/div、0.5ms/div |
![]() 上:vi2、50mV/div、0.5ms/div 下:vo2、50mV/div、0.5ms/div |
同相入力 |
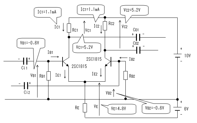
| 入力[mV] | 出力 | 増幅度 | 備考 | |||||
| vi1 | vi2 | vo1 | vo2 | vo1実測値 | vo2実測値 | 理論値(絶対値) | 偏差 | |
| 10 | 0 | -0.96[V] | 0.96[V] | vo1/vi1 = -96 | vo2/vi1 = 96 | 103 | -6.8[%] | |
| 0 | 10 | 1.00[V] | -1.00[V] | vo1/vi2 = 100 | vo2/vi2 = -100 | 103 | -2.9[%] | |
| 20 | 20 | -24[mV] | 20[mV] | vo1/vi1 = 1.2 | vo2/vi2 = 1.0 | 1.068 | 12[%]/-6.4[%] | 同相入力 |
| CMRR実測値 | CMRR理論値 | 偏差 |
| 178.2 | 193.6 | -8.0[%] |