JH8CHUのホームページ>
トランジスタ・パルス回路の実験
>単安定マルチバイブレータの実験
単安定マルチバイブレータの実験
本ページ作成。(2026/01/29)
実験の目的
単安定マルチバイブレータを設計し、回路を組み立てて動作を確認します。
実験課題
- 安定状態の確認
トリガ・パルスが入っていないとき、回路が安定状態になることを確認し、
回路各部の電圧を測定します。
- 動作波形の確認
矩形波をトリガ端子から連続して入力し、出力が一定のパルス幅で
あることを確認します。
実験回路
回路の機能と動作
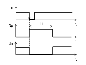
トリガ・パルスが入る度に一定の長さ(T1)のパルスを生成する回路です。
ワン・ショット(one shot)と呼ばれることが多いです。
双安定マルチバイブレータは安定点がふたつ、非安定マルチバイブレータは安定点が
0でしたが、単安定マルチバイブレータは安定点がひとつです。
トリガ・パルスが入らないときは安定状態のままです。

安定状態においてTr1はON、Tr2はOFFです。
負極性トリガ・パルス(Tn)が入るとTr1のベース電圧が下がりTr1と
Tr2のON/OFFが入れ替わります。Tr2がONとなるのでコレクタ電圧(VC2)は
ほぼ0となります。このとき、安定状態において(Vcc-0.6)まで充電されていた
コンデンサ(CB1)によりTr1のベース電圧はマイナスとなり
Tr1がOFFとなります。この時の状態が下図となります。

その後、赤線に示す電流によりコンデンサ(CB1)が放電するに従いTr1の
ベース電圧が上昇するとTr1が再びONとなり、安定状態に戻ると
出力パルスが終了します。
単安定マルチバイブレータの動作の詳細については、トランジスタ・パルス回路の
解析に記載した
単安定マルチバイブレータの項を参照してください。
実験回路の設計
- 設計条件
(1)電源電圧:およそ5[V]とします。
(2)使用するトランジスタ:定番の2SC1815-Y
(3)出力パルスの幅:約1.5[ms]
(4)入力矩形波の周波数:約500[Hz]
(5)入力矩形波のデューティー:約50[%]
(6)出力の負荷
トランジスタのコレクタには何も接続しません。
波形観測のためのオシロスコープを接続しますが、オシロの入力インピーダンスは
[MΩ]のレベルなので無視出来る値です。
- RC1、RC2の選定
トランジスタのコレクタから出力を取出す場合は、出力先の入力抵抗の1/10を
目安に決めるというのがひとつの考え方ですが、今回は何も接続しないので
自由に決められます。とりあえずコレクタ電流が5[mA]になるよう
RC1 = RC2 = 1[kΩ]としました。
- RB1、RB2の選定
トランジスタの直流電流増幅率(hFE)はデータシートより120(min)なので
トランジスタのベース電流は
IB = Ic / hFE(min) = 5[mA] / 120 ≒ 41.6[μA]
トランジスタがONしたとき確実に飽和するよう、通常この値の2〜10倍くらいの
ベース電流が流れるようRB1、RB2を決めますが、
まずは3倍で計算しました。
RB = (Vcc - VBE) / IB = (5 - 0.7) / (41.6[μA] * 3)
≒ 34.5[kΩ]
E6系列より選定して
RB1 = RB2 = 33[kΩ]としました。
- CB1の選定
RB1とともにパルス幅を決定するコンデンサです。
パルス幅(T1)は下記の式で決まります。
T1 = 0.7 * (CB1 * RB1)
パルス幅は仕様により1.5[ms]と決めたので
C = T1 / (0.7 * RB1) = 1.5[ms] / (0.7 * 33[kΩ]) ≒ 0.065[μF]
E6系列より選定し
CB1 = 0.068[μF]としました。
この定数でのパルス幅の理論値は
T1 = 0.7 * (CB1 * RB1)
= 0.7 * (0.068[μF] * 33[kΩ]) ≒ 1.51[ms]
となります。
- D1の選定
- RT1の選定
RB1、RB1と同程度とし、33[kΩ]としました。
- CT1の選定
トリガ・パルスの周波数は約500[Hz]ですので、パルス幅は周期の半分の約1[ms]です。
この1/10の時間よりやや短い時定数(τ)を目安に設定することとしτ=0.1[ms]とします。
CR微分回路の時定数は
τ = C * R
となります。RT1は前項で33[kΩ]と決めたので、
C = τ / RT = 0.1[ms] / 33[kΩ] ≒ 0.003[μF]
となります。E6系列より選定すると
CT1 = 0.0033[μF]となりますが、あいにく手元にないため少し小さめの
CT1 = 0.001[μF]としました。(^^;
(実際の時定数の決定には、RT1のみではなく、RB1やRC2が
影響しそうですが、とりあえず無視しました。) (-_-;
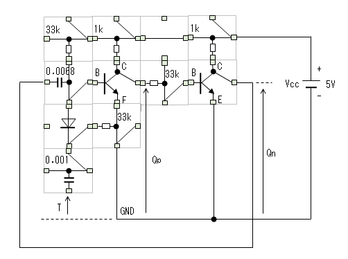
- 電子ブロックの配置
電子ブロックで実験回路を下図のように組み立てます。
電源は簡易安定化電源の5[V]端子を使用しました。

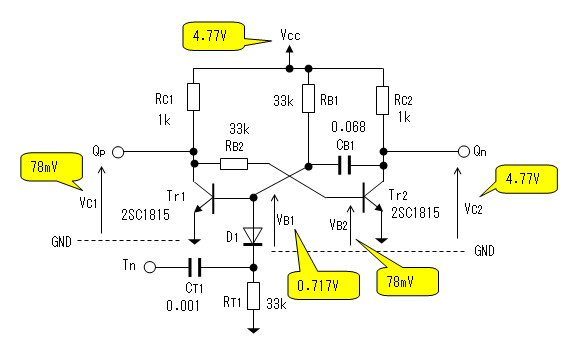
- 安定状態における各部の電圧
Tn端子に信号を入れないと、単安定マルチバイブレータは安定状態となります。
このとき下図に示したVcc、VC1、VB1、VC2、VB2を
ディジタル・テスターで測定します。

- 出力波形の観測
矩形波の信号源として
非安定マルチバイブレータの実験で使用した電子ブロックを
流用します。全体の接続図は下記となります。

2チャンネル・オシロでTn端子とQp端子の波形を観測します。
実験機材
- 電子ブロック
使用したブロックは、実験方法の
電子ブロックの配置を参照。
- 簡易安定化電源 (5[V]端子)
- オシロスコープ
- ディジタル・テスター
実験結果
- 安定状態における各部の電圧

- 波形観測
Tn端子とQp端子の波形
パルス幅はほぼ1.5[ms]です。

上:Tn、 2V/div、0.5ms/div
下:Qp、2V/div、0.5ms/div
この後、信号源である非安定マルチバイブレータのコンデンサCB2を
0.1[μF]に変更し、周期:約3.5[ms]の非対称な矩形波にして波形を観測しました。
パルス幅はほぼ1.5[ms]のままでした。

測定結果・考察
- 安定状態における各部の電圧
トランジスタTr1がON、Tr2がOFF状態となっていることを
確認しました。
- 波形観測
Tn端子からの矩形波入力の立ち下がりでパルスがスタートし、
パルス幅がほぼ設計値の1.5[ms]経過したのち、パルスが終了することを
確認しました。
今後の課題
- 単安定マルチバイブレータの応用検討
将来的に、トランジスタを使用したパルス発生器の製作を計画しています。
参考文献
- パルス回路の設計(昭和56年(1981) 第20版(改訂10版))
P-102〜105 単安定マルチバイブレータ、猪飼國夫著、CQ出版社
関連項目
- トランジスタ・パルス回路の解析−
単安定マルチバイブレータの解析
- トランジスタ・パルス回路の実験−
非安定マルチバイブレータの実験
- トランジスタ・パルス回路の解析−
CR微分回路
- 自作電子ブロック
- 簡易安定化電源
JH8CHUのホームページ>
トランジスタ・パルス回路の実験>
単安定マルチバイブレータの実験
Copyright (C)2026 Masahiro.Matsuda(JH8CHU), all rights reserved.